Product Summary
The LM611ATM is an Operational Amplifier and Adjustable Reference. It consists of a single-supply op-amp and a programmable voltage reference in one space saving 8-pin package. The op-amp out-performs most single-supply op-amps by providing higher speed and bandwidth along with low supply current. The LM611ATM was specifically designed to lower cost and board space requirements in transducer, test, measurement and data acquisition systems. Combining a stable voltage reference with a wide output swing op-amp makes the LM611ATM ideal for single supply transducers, signal conditioning and bridge driving where large common-mode signals are common. The voltage reference consists of a reliable band-gap design that maintains low dynamic output impedance (1Ω typical), excellent initial tolerance (0.6%), and the ability to be programmed from 1.2V to 6.3V via two external resistors. The voltage reference is very stable even when driving large capacitive loads, as are commonly encountered in CMOS data acquisition systems. The applications of the LM611ATM include Transducer bridge driver, Process and Mass Flow Control systems, Power supply voltage monitor, and Buffered voltage references for A/D’s.
Parametrics
LM611ATM absolute maximum ratings: (1)Voltage on Any Pins Except VR (referred to V. pin): 36V (Max); (2)(Note 2): -0.3V (Min); (3)Current through Any Input Pin and VR Pin: ±20mA; (4)Differential Input Voltage Military and Industrial: ±36V; (5)Commercial: ±32V; (6)Storage Temperature Range: -65℃≤TJ≤+150℃; (7)Maximum Junction Temperature: 150℃; (8)Thermal Resistance, Junction-to-Ambient (Note 3): 150℃/W; (9)Soldering Information Soldering (10 seconds): 220℃; (10)ESD Tolerance (Note 4): ±1kV.
Features
LM611ATM features: (1)Low operating current: 300μA (op amp); (2)Wide supply voltage range: 4V to 36V; (3)Wide common-mode range: V. to (V+ -1.8V); (4)Wide differential input voltage: ±36V; (5)Available in low cost 8-pin DIP; (6)Available in plastic package rated for Military Temperature Range Operation; (7)Adjustable output voltage: 1.2V to 6.3V; (8)Tight initial tolerance available: ±0.6%; (9)Wide operating current range: 17μA to 20 mA; (10)Reference floats above ground; (11)Tolerant of load capacitance.
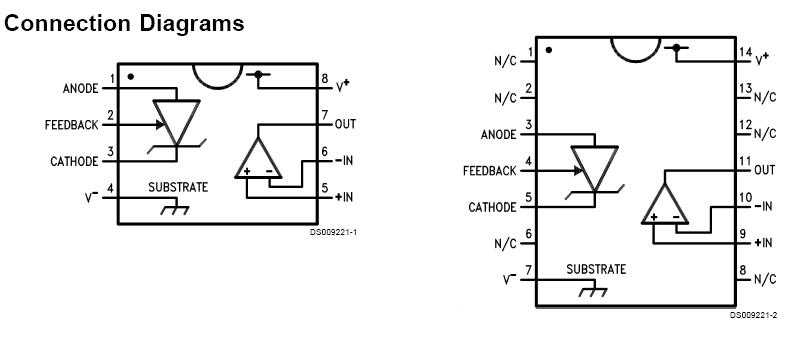
Diagrams

![]() |
![]() LM61 |
![]() Other |
![]() |
![]() Data Sheet |
![]() Negotiable |
|
||||||||||||
![]() |
![]() LM611 |
![]() Other |
![]() |
![]() Data Sheet |
![]() Negotiable |
|
||||||||||||
![]() |
![]() LM6118 |
![]() Other |
![]() |
![]() Data Sheet |
![]() Negotiable |
|
||||||||||||
![]() |
![]() LM611CM |
![]() National Semiconductor (TI) |
![]() Operational Amplifiers - Op Amps |
![]() Data Sheet |
![]()
|
|
||||||||||||
![]() |
![]() LM611CM/NOPB |
![]() National Semiconductor (TI) |
![]() Operational Amplifiers - Op Amps |
![]() Data Sheet |
![]()
|
|
||||||||||||
![]() |
![]() LM611CMX |
![]() National Semiconductor (TI) |
![]() Operational Amplifiers - Op Amps |
![]() Data Sheet |
![]()
|
|
||||||||||||
(Hong Kong)









