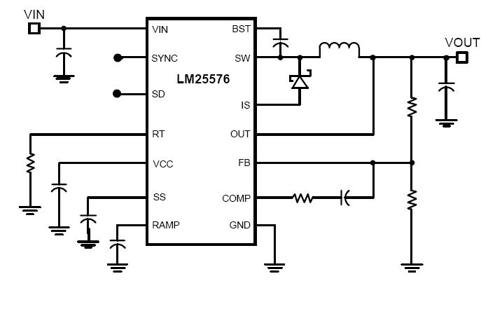
Product Summary
The LM25576 is a 42V, 3A Step-Down Switching Regulator which allows design engineers to design and optimize a robust power supply using a minimum set of components. Operating with an input voltage range of 6 to 42V, the LM25576 delivers 3A of continuous output current with an integrated 170mΩ N-Channel MOSFET. The regulator utilizes an Emulated Current Mode architecture which provides inherent line regulation, tight load transient response, and ease of loop compensation without the usual limitation of low-duty cycles associated with current mode regulators. The operating frequency is adjustable from 50 kHz to 1MHz to allow optimization of size and efficiency. To reduce EMI, a frequency synchronization pin allows multiple IC’s from the LM (2)557x family to self-synchronize or to synchronize to an external clock. The LM25576 guarantees robustness with cycle-by-cycle current limit, short-circuit protection, thermal shut-down, and remote shut-down. The device is available in a power enhanced TSSOP-20 package featuring an exposed die attach pad for thermal dissipation. The LM25576 is supported by the full suite of WEBENCH On-Line design tools. The applications of the LM25576 include Automotive, Industrial.
Parametrics
LM25576 absolute maximum ratings: (1)VIN to GND: 45V; (2)BST to GND: 60V; (3)PRE to GND: 45V; (4)SW to GND (Steady State): -1.5V; (5)BST to VCC: 45V; (6)SD, VCC to GND: 14V; (7)BST to SW: 14V; (8)OUT to GND: Limited to Vin; (9)SYNC, SS, FB, RAMP to GND: 7V; (10)ESD Rating (2) Human Body Model: 2kV; (11)Storage Temperature Range: -65℃ to +150℃.
Features
LM25576 features: (1)LM25576Q is an Automotive Grade product that is AEC-Q100 grade 1 qualified (-40℃ to 125℃ operating junction temperature); (2)Integrated 42V, 170mΩ N-channel MOSFET; (3)Ultra-wide input voltage range from 6V to 42V; (4)Adjustable output voltage as low as 1.225V; (5)1.5% feedback reference accuracy; (6)Operating frequency adjustable between 50 kHz and 1MHz with single resistor; (7)Master or slave frequency synchronization; (8)Adjustable soft-start; (9)Emulated current mode control architecture; (10)Wide bandwidth error amplifier; (11)Built-in protection; (12)Automotive Grade product datasheet that is AEC-Q100 grade 0 qualified is available upon request.
Diagrams

| Image | Part No | Mfg | Description | ![]() |
Pricing (USD) |
Quantity | ||||||||||||
|---|---|---|---|---|---|---|---|---|---|---|---|---|---|---|---|---|---|---|
![]() |
![]() LM25576BLDT/NOPB |
![]() National Semiconductor (TI) |
![]() Power Management IC Development Tools LM25576 BUILD IT BOARD |
![]() Data Sheet |
![]()
|
|
||||||||||||
![]() |
![]() LM25576EVAL |
![]() National Semiconductor (TI) |
![]() Power Management IC Development Tools LM25576 EVAL BOARD |
![]() Data Sheet |
![]()
|
|
||||||||||||
![]() |
![]() LM25576MH |
![]() National Semiconductor (TI) |
![]() Switching Converters, Regulators & Controllers |
![]() Data Sheet |
![]()
|
|
||||||||||||
![]() |
![]() LM25576MHX |
![]() National Semiconductor (TI) |
![]() Switching Converters, Regulators & Controllers |
![]() Data Sheet |
![]()
|
|
||||||||||||
![]() |
![]() LM25576Q0MH/NOPB |
![]() National Semiconductor (TI) |
![]() Switching Converters, Regulators & Controllers |
![]() Data Sheet |
![]()
|
|
||||||||||||
![]() |
![]() LM25576QMHX/NOPB |
![]() National Semiconductor (TI) |
![]() Switching Converters, Regulators & Controllers |
![]() Data Sheet |
![]()
|
|
||||||||||||
![]() |
![]() LM25576QMH/NOPB |
![]() National Semiconductor (TI) |
![]() Switching Converters, Regulators & Controllers |
![]() Data Sheet |
![]()
|
|
||||||||||||
![]() |
![]() LM25576Q0MHX/NOPB |
![]() National Semiconductor (TI) |
![]() Switching Converters, Regulators & Controllers |
![]() Data Sheet |
![]()
|
|
||||||||||||
(Hong Kong)










