Product Summary
The KTC3205 is an epitaxial planar NPN transistor.
Parametrics
KTC3205 absolute maximum ratings: (1)VCBO Collector-Base Voltage: 30V; (2)VCEO Collector-Emitter Voltage: 30V; (3)VEBO Emitter-Base Voltage: 5V; (4)IC Collector Current -Continuous: 2A; (5)PC Collector Power Dissipation :1W; (6)TJ Junction Temperature: 150℃; (7)Tstg Storage Temperature: -55 to -150℃.
Features
KTC3205 feature: Complementary to KTA1273.
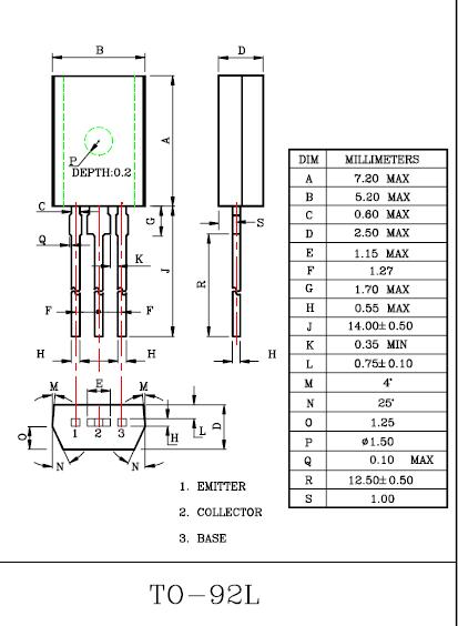
Diagrams

| Image | Part No | Mfg | Description | ![]() |
Pricing (USD) |
Quantity | ||||
|---|---|---|---|---|---|---|---|---|---|---|
![]() |
![]() KTC3205 |
![]() Other |
![]() |
![]() Data Sheet |
![]() Negotiable |
|
||||
| Image | Part No | Mfg | Description | ![]() |
Pricing (USD) |
Quantity | ||||
![]() |
![]() KTC3072D |
![]() Other |
![]() |
![]() Data Sheet |
![]() Negotiable |
|
||||
![]() |
![]() KTC3072L |
![]() Other |
![]() |
![]() Data Sheet |
![]() Negotiable |
|
||||
![]() |
![]() KTC3114 |
![]() Other |
![]() |
![]() Data Sheet |
![]() Negotiable |
|
||||
![]() |
![]() KTC3199 |
![]() Other |
![]() |
![]() Data Sheet |
![]() Negotiable |
|
||||
![]() |
![]() KTC3205 |
![]() Other |
![]() |
![]() Data Sheet |
![]() Negotiable |
|
||||
![]() |
![]() KTC3207 |
![]() Other |
![]() |
![]() Data Sheet |
![]() Negotiable |
|
||||
(Hong Kong)









