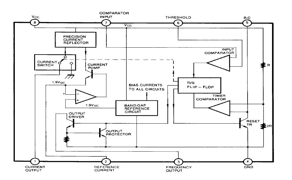
Product Summary
The KA331 is a voltage to frequency converter. It provides the output pulse train at a frequency precisely proportional to the applied input voltage. The KA331 can operate at power supplies as low as 4.0V and be changed output frequency from 1Hz to 100 KHz. The KA331 is ideally suited for use in simple low-cost circuit for analog-to digital conversion, long term integration, linear frequency modulation or demodulation, frequency-to-voltage conversion, and many other functions.
Parametrics
KA331 absolute maximum ratings: (1)Supply Voltage VCC: 40V; (2)Input Voltage VI: -0.2 to + VCC V; (3)Operating Temperature Range TOPR: 0 to +70℃; (4)Power Dissipation PD: 500mW.
Features
KA331 features: (1)Guaranteed linearity: 0.01% max.; (2)Low power dissipation: 15mW at 5V; (3)Wide range of full scale frequency: 1Hz to 100KHz; (4)Pulse output compatible with all logic forms; (5)Wide dynamic range: 100dB min at 10KHz full scale frequency.
Diagrams

| Image | Part No | Mfg | Description | ![]() |
Pricing (USD) |
Quantity | ||||||||||||
|---|---|---|---|---|---|---|---|---|---|---|---|---|---|---|---|---|---|---|
![]() |
![]() KA331 |
![]() Fairchild Semiconductor |
![]() Voltage to Frequency & Frequency to Voltage Converter Voltage to Frequency |
![]() Data Sheet |
![]()
|
|
||||||||||||
| Image | Part No | Mfg | Description | ![]() |
Pricing (USD) |
Quantity | ||||||||||||
![]() |
![]() KA3302 |
![]() Fairchild Semiconductor |
![]() Comparator ICs Quad Comparator |
![]() Data Sheet |
![]() Negotiable |
|
||||||||||||
![]() |
![]() KA3302D |
![]() Fairchild Semiconductor |
![]() Comparator ICs Quad Comparator |
![]() Data Sheet |
![]() Negotiable |
|
||||||||||||
![]() |
![]() KA3303 |
![]() Fairchild Semiconductor |
![]() Operational Amplifiers - Op Amps Quad OP amp |
![]() Data Sheet |
![]() Negotiable |
|
||||||||||||
![]() |
![]() KA3303_Q |
![]() Fairchild Semiconductor |
![]() Operational Amplifiers - Op Amps Quad OP amp |
![]() Data Sheet |
![]() Negotiable |
|
||||||||||||
![]() |
![]() KA3303D |
![]() Fairchild Semiconductor |
![]() Operational Amplifiers - Op Amps Quad OP amp |
![]() Data Sheet |
![]() Negotiable |
|
||||||||||||
![]() |
![]() KA331 |
![]() Fairchild Semiconductor |
![]() Voltage to Frequency & Frequency to Voltage Converter Voltage to Frequency |
![]() Data Sheet |
![]()
|
|
||||||||||||
(Hong Kong)









