Product Summary
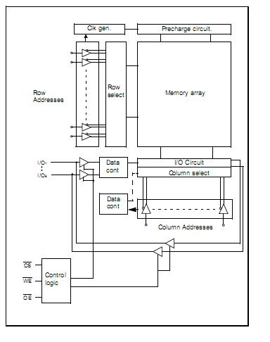
The K6X0808C10-GF70 is a 32Kx8 bit Low Power full CMOS Static RAM. It is fabricated by SAMSUNG’s advanced CMOS process technology. The K6X0808C10-GF70 supports verious operating temperature ranges and has various package types for user flexibility of system design. The K6X0808C10-GF70 also supports low data retention voltage for battery back-up operation with low data retention current.
Parametrics
K6X0808C10-GF70 absolute maximum ratings: (1)Voltage on any pin relative to Vss:-0.5 to VCC+0.5V(Max. 7.0V); (2)Voltage on Vcc supply relative to Vss:-0.3 to 7.0 V; (3)Power Dissipation:1.0 W; (4)Storage temperature:-65 to 150℃; (5)Operating Temperature:-40 to 85℃.
Features
K6X0808C10-GF70 features: (1) Process Technology: Full CMOS; (2)Organization: 32K x 8; (3)Power Supply Voltage: 4.5 to 5.5V; (4)Low Data Retention Voltage: 2V(Min); (5)Three state output and TTL Compatible; (6)Package Type: 28-DIP-600B, 28-SOP-450, 28-TSOP1-0813.4F/R.
Diagrams

![]() |
![]() K6X0808T1D-Q |
![]() Other |
![]() |
![]() Data Sheet |
![]() Negotiable |
|
||||
![]() |
![]() K6X0808T1D-F |
![]() Other |
![]() |
![]() Data Sheet |
![]() Negotiable |
|
||||
![]() |
![]() K6X0808T1D-B |
![]() Other |
![]() |
![]() Data Sheet |
![]() Negotiable |
|
||||
![]() |
![]() K6X0808C1D-Q |
![]() Other |
![]() |
![]() Data Sheet |
![]() Negotiable |
|
||||
![]() |
![]() K6X0808C1D-F |
![]() Other |
![]() |
![]() Data Sheet |
![]() Negotiable |
|
||||
(Hong Kong)








