Product Summary
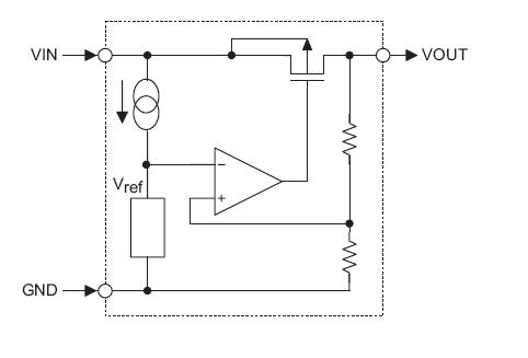
The HT7333-A is a three-terminal, low power, high voltage regulator implemented in CMOS technology. It features extremely low quiescent current which is typically 4μA. It allows input voltages as high as 12V. The HT7333-A provides large current with a significantly small dropout voltage. The HT7333-A consists of a high-precision voltage reference, an error correction circuit, and a current limited output driver. It is available with several fixed output voltages ranging from 1.8V to 5.0V. CMOS technology ensures low dropout voltage and low current consumption. Although designed primarily as fixed voltage regulators, these devices can be used with external components to generate variable voltages and currents. The applications of the HT7333-A include Battery-powered equipment, Voltage regulator for microprocessor, Voltage regulator for LAN cards, Wireless Communication equipment, Audio/Video equipment.
Parametrics
HT7333-A absolute maximum ratings: (1)Supply Voltage: VSS-0.3V to VSS+14V; (2)Storage Temperature: -50℃ to 125℃; (3)Power Consumption (*1): 500mW; (4)Operating Temperature: -40℃ to 85℃; (5)Power Consumption (*2): 500mW.
Features
HT7333-A features: (1)Ultra low quiescent current: 4μA (typ.); (2)High input voltage (up to 12V); (3)Output voltage: 1.8V, 2.5V, 2.7V, 3.0V, 3.3V, 3.5V, 5.0V; (4)Output voltage accuracy: tolerance ±3%; (5)Maximum output current: 250mA; (6)Low dropout voltage; (7)Low temperature coefficient; (8)TO-92, SOT-89 package.
Diagrams

![]() |
![]() HT7318 |
![]() Other |
![]() |
![]() Data Sheet |
![]() Negotiable |
|
||||
![]() |
![]() HT7330 |
![]() Other |
![]() |
![]() Data Sheet |
![]() Negotiable |
|
||||
![]() |
![]() HT7333 |
![]() Other |
![]() |
![]() Data Sheet |
![]() Negotiable |
|
||||
![]() |
![]() HT7335 |
![]() Other |
![]() |
![]() Data Sheet |
![]() Negotiable |
|
||||
![]() |
![]() HT7350 |
![]() Other |
![]() |
![]() Data Sheet |
![]() Negotiable |
|
||||
![]() |
![]() HT73XX |
![]() Other |
![]() |
![]() Data Sheet |
![]() Negotiable |
|
||||
(Hong Kong)








