Product Summary
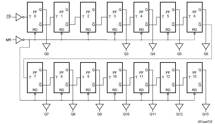
The HEF4020BT is a 14-stage binary counter with a clock input (CP), an overriding asynchronous master reset input (MR) and twelve fully buffered outputs (Q0, and Q3 to Q13). The counter advances on the HIGH to LOW transition of CP. A HIGH on MR clears all counter stages and forces all outputs LOW, nindependent of the state of CP. Each counter stage is a static toggle flip-flop. A feature of the device is its high speed (typ. 35 MHz at VDD = 15 V). The application of the HEF4020BT includes Industrial.
Parametrics
HEF4020BT absolute maximum ratings: (1)VDD, supply voltage: -0.5 to +18 V; (2)IIK, input clamping current: ±10 mA; (3)VI, input voltage: -0.5 to VDD +0.5 V; (4)IOK, output clamping current: ±10 mA; (5)II/O, input/output current: ±10 mA; (6)IDD, supply current: 50 mA; (7)Tstg, storage temperature: -65 to +150℃; (8)Tamb, ambient temperature: -40 to +85℃; (9)Ptot, total power dissipation Tamb: -40℃ to +85℃; (10)DIP16, package: 750 mW; (11)SO16, package: 500 mW; (12)P, power dissipation per output: 100 mW.
Features
HEF4020BT features: (1)High speed operation; (2)Fully static operation; (3)5 V, 10 V, and 15 V parametric ratings; (4)Standardized symmetrical output characteristics; (5)Operates across the full industrial temperature range -40℃ to +85℃; (6)Complies with JEDEC standard JESD 13-B; (7)ESD protection: HBM JESD22-A114E exceeds 2000 V; MM JESD22-A115-A exceeds 200 V.
Diagrams

| Image | Part No | Mfg | Description | ![]() |
Pricing (USD) |
Quantity | ||||||||||||
|---|---|---|---|---|---|---|---|---|---|---|---|---|---|---|---|---|---|---|
![]() |
![]() HEF4020BT,653 |
![]() NXP Semiconductors |
![]() Counter ICs 14-STAGE BINARY COUNTER |
![]() Data Sheet |
![]()
|
|
||||||||||||
![]() |
![]() HEF4020BTD |
![]() NXP Semiconductors |
![]() Counter ICs 14ST BIN RIP COUNTER |
![]() Data Sheet |
![]() Negotiable |
|
||||||||||||
![]() |
![]() HEF4020BT,652 |
![]() NXP Semiconductors |
![]() Counter ICs 14ST BIN RIP COUNTER |
![]() Data Sheet |
![]()
|
|
||||||||||||
(Hong Kong)









