Product Summary
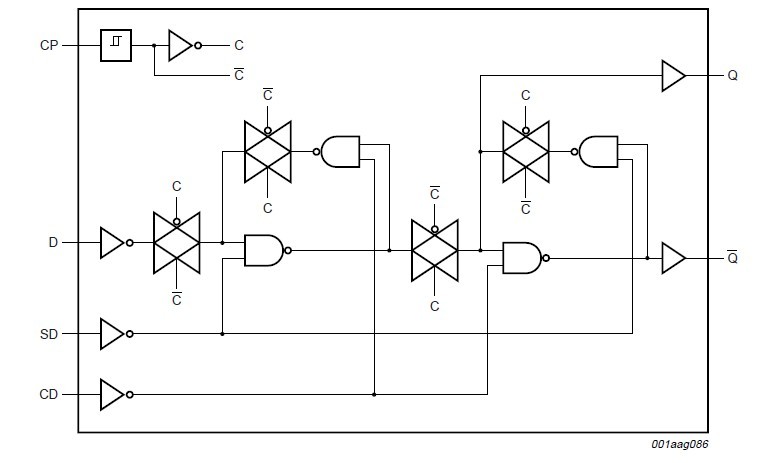
The HEF4013BT is a dual D-type flip-flop which features independent set direct (SD), clear direct (CD), clock inputs(CP) and outputs (O, O). Data is accepted when CP is LOW and transferred to the output on the positive-going edge of the clock. The active HIGH asynchronous clear-direct (CD) and set-direct (SD) are independent and override the D or CP inputs. The outputs of HEF4013BT are buffered for best system performance. Schmitt-trigger action in the clock input makes the circuit highly tolerant to slower clock rise and fall times. The applications of the HEF4013BT include: Automotive and industrial, Counters and dividers, Registers, Toggle flip-flops.
Parametrics
HEF4013BT absolute maximum ratings: (1)VDD supply voltage: min=-0.5V, max=+18V; (2)On the conditions of VI < -0.5 V or VI > VDD + 0.5 V, IIK input clamping current: max=±10mA; (3)VI input voltage: min=-0.5V, max=VDD + 0.5V; (4)On the conditions of VO < -0.5 V or VO > VDD + 0.5 V, IOK output clamping current: max=±10mA; (5)II/O input/output current: max=±10mA; (6)IDD supply current: max=50mA; (7)Tstg storage temperature: min=-65℃, max=+150℃; (8)Tamb ambient temperature: min=-40℃, max=+125℃; (9)P power dissipation per output: max=100mW.
Features
HEF4013BT features: (1)Tolerant of slow clock rise and fall times; (2)Fully static operation; (3)5 V, 10 V, and 15 V parametric ratings; (4)Standardized symmetrical output characteristics; (5)Operates across the automotive temperature range from -40 ℃ to +125 ℃; (6) Complies with JEDEC standard JESD 13-B.
Diagrams

| Image | Part No | Mfg | Description | ![]() |
Pricing (USD) |
Quantity | ||||||||||||
|---|---|---|---|---|---|---|---|---|---|---|---|---|---|---|---|---|---|---|
![]() |
![]() HEF4013BT,652 |
![]() NXP Semiconductors |
![]() Flip Flops DUAL D FLIP FLOP |
![]() Data Sheet |
![]()
|
|
||||||||||||
![]() |
![]() HEF4013BT,653 |
![]() NXP Semiconductors |
![]() Flip Flops DUAL D-TYPE F/F |
![]() Data Sheet |
![]()
|
|
||||||||||||
![]() |
![]() HEF4013BTT,112 |
![]() NXP Semiconductors |
![]() Flip Flops DUAL D-TYPE SET AND |
![]() Data Sheet |
![]()
|
|
||||||||||||
![]() |
![]() HEF4013BTT,118 |
![]() NXP Semiconductors |
![]() Flip Flops DUAL D-TYPE SET AND |
![]() Data Sheet |
![]()
|
|
||||||||||||
![]() |
![]() HEF4013BTT |
![]() NXP Semiconductors |
![]() Flip Flops DUAL D-TYPE SET AND CLEAR |
![]() Data Sheet |
![]() Negotiable |
|
||||||||||||
![]() |
![]() HEF4013BTD |
![]() NXP Semiconductors |
![]() Flip Flops DUAL D FLIP FLOP |
![]() Data Sheet |
![]() Negotiable |
|
||||||||||||
![]() |
![]() HEF4013BTT-T |
![]() NXP Semiconductors |
![]() Flip Flops DUAL D-TYPE SET AND CLEAR |
![]() Data Sheet |
![]() Negotiable |
|
||||||||||||
(Hong Kong)










