Product Summary
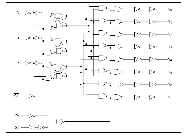
The HD74HC237FPEL is a 3-to-8-line Decoder/Demultiplexer with Address Latch. The HD74HC237FPEL decodes a three-bit Address to one-of-eight active-high outputs. The HD74HC237FPEL has a transparent latch for storage of the Address. Two Chip Selects, one active-low and one active-high, are provided to facilitate the demultiplexing, cascading, and chip-selecting functions. The demultiplexing function is accomplished by using the Address inputs to select the desired device output, and then by using one of the Chip Selects as a data input while holding the other one active.
Parametrics
HD74HC237FPEL absolute maximum ratings: (1)Input voltage: 1.5V; (2)Output voltage: 1.9V; (3)Input current: ±0.1μA; (4)Quiescent supply current: 40μA.
Features
HD74HC237FPEL features: (1)High Speed Operation: tpd (Data to Y) = 19 ns typ (CL = 50pF); (2)High Output Current: Fanout of 10 LSTTL Loads; (3)Wide Operating Voltage: VCC = 2 to 6V; (4)Low Input Current: 1mA max; (5)Low Quiescent Supply Current: ICC (static) = 4mA max (Ta = 25℃).
Diagrams

![]() |
![]() HD7425FPA |
![]() Other |
![]() |
![]() Data Sheet |
![]() Negotiable |
|
||||
![]() |
![]() HD74AC |
![]() Other |
![]() |
![]() Data Sheet |
![]() Negotiable |
|
||||
![]() |
![]() HD74AC00 |
![]() Other |
![]() |
![]() Data Sheet |
![]() Negotiable |
|
||||
![]() |
![]() HD74AC02 |
![]() Other |
![]() |
![]() Data Sheet |
![]() Negotiable |
|
||||
![]() |
![]() HD74AC04 |
![]() Other |
![]() |
![]() Data Sheet |
![]() Negotiable |
|
||||
![]() |
![]() HD74AC04FP-EL |
![]() Other |
![]() |
![]() Data Sheet |
![]() Negotiable |
|
||||
(Hong Kong)








