Product Summary
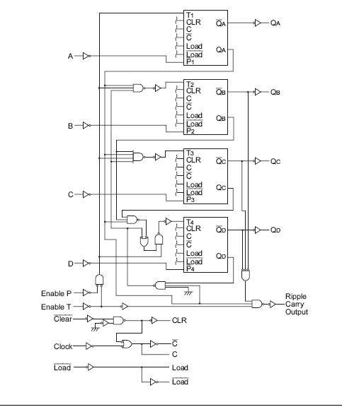
The HD74HC161RPEL is a Synchronous 4-bit Binary Counter. The HD74HC161RPEL is clocked simultaneously on the low to high to transition (positive edge) of the clock input waveform. The HD74HC161RPEL may be preset using the load input. Presetting of all four flip-flops is synchronous to the rising edge of clock. When load is held low counting is disabled and the data on the A, B, C, and D inputs is loaded into the counter on the rising edge of clock. If the load input is taken high before the positive edge of clock the count operation will be unaffected.
Parametrics
HD74HC161RPEL absolute maximum ratings: (1)Supply voltage range VCC: –0.5 to +7.0V; (2)Input voltage VIN :–0.5 to VCC + 0.5V; (3)Output voltage VOUT: –0.5 to VCC + 0.5V; (4)Output current IOUT: ±25mA; (5)DC current drain per VCC, GND ICC, IGND: ±50mA; (6)DC input diode current IIK: ±20mA; (7)DC output diode current IOK: ±20mA; (8)Power dissipation per package PT: 500mW; (9)Storage temperature Tstg: –65 to +150℃.
Features
HD74HC161RPEL features: (1)High Speed Operation: tpd (Clock to Q) = 18 ns typ (CL = 50pF); (2)High Output Current: Fanout of 10 LSTTL Loads; (3)Wide Operating Voltage: VCC = 2 to 6V; (4)Low Input Current: 1μA max; (5)Low Quiescent Supply Current: ICC (static) = 4μA max (Ta = 25℃).
Diagrams

![]() |
![]() HD7425FPA |
![]() Other |
![]() |
![]() Data Sheet |
![]() Negotiable |
|
||||
![]() |
![]() HD74AC |
![]() Other |
![]() |
![]() Data Sheet |
![]() Negotiable |
|
||||
![]() |
![]() HD74AC00 |
![]() Other |
![]() |
![]() Data Sheet |
![]() Negotiable |
|
||||
![]() |
![]() HD74AC02 |
![]() Other |
![]() |
![]() Data Sheet |
![]() Negotiable |
|
||||
![]() |
![]() HD74AC04 |
![]() Other |
![]() |
![]() Data Sheet |
![]() Negotiable |
|
||||
![]() |
![]() HD74AC04FP-EL |
![]() Other |
![]() |
![]() Data Sheet |
![]() Negotiable |
|
||||
(Hong Kong)








