Product Summary
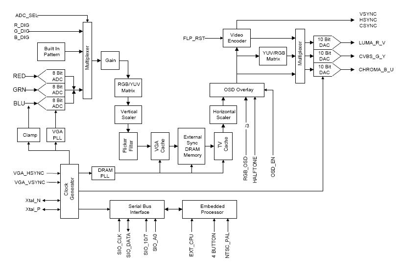
The FS403 is a PC to TV Video Scan Converter. It accepts many input resolutions and rates and converts them to NTSC or PAL standards compliant with SMPTE-170M and CCIR-656 standards. Also available as output options are VGA 640 x 480 at 60Hz progressive, SVGA 800 x 600 at 60Hz progressive, and 100 Hz interlaced. The FS403 has a programmable down scaler to fit the incoming resolution to the output display format. Within the FS400 are capture and encoder engines separated by the frame buffer memory controller. Required external components are minimal: a single 16M SDRAM memory, clocks and passive parts. The applications of the FS403 include PC video out, PC ready TV’s, Video Text Displays, Web Appliances, PC-to-TV Scan Converter Peripherals, and Video Kiosks.
Parametrics
FS403 absolute maximum ratings: (1)VDD (Measured to VSS): -0.5 to 4.6V; (2)VDDAD (Measured to VSSAD): -0.5 to 4.6V; (3)VDDPA and VDDPF (Measured to VSSPA and VSSPF): -0.5 to 4.6V; (4)VDDDA (Measured to VSSDA): -0.5 to 4.6V; (5)VSSAD, VSSPA, VSS, VSSPA, VSSDA (delta): -0.5 to 0.5V; (6)3.3 V logic applied voltage (Measured to VSS)2: -0.5 to VDD + 0.5V; (7)Forced current 3, 4: -10.0 to 10.0mA; (8)Applied Voltage (Measured to VSSAD)2: -0.5 to VDDDA + 0.5V; (9)Forced current 3, 4: -10.0 to 10.0mA; (10)Operating, Ambient: -20 to 110℃; (11)Junction: 150℃; (12)Lead Soldering (10 seconds): 300℃; (13)Electrostatic Discharge5: ±150V.
Features
FS403 features: (1)Frame rate Conversion; (2)Programmable 2D scaling; (3)Pan and Zoom; (4)Advanced 2-D flicker filter; (5)Frame-store memory controller; (6)Supports Multiple Progressive Input Resolutions; (7)Supports Interlaced Input XGA and above; (8)Input refresh rates up to 150Hz; (9)Multiple Output Standards; (10)Automatically detects input active video area; (11)Automatically selects the best output and scaling for any input resolution; (12)Programmable sharpness, brightness, contrast and color saturation; (13)Customizable On Screen Display via glueless integration with Zilog and Philips OSD Microprocessors (FS403); (14)C, H, and V Sync tri-state outputs; (15)H and V Sync monitoring for DPMS Support; (16)Exceeds all PC97 and PC98 requirements; (17)General Purpose Output Pins.
Diagrams

| Image | Part No | Mfg | Description | ![]() |
Pricing (USD) |
Quantity | ||||||
|---|---|---|---|---|---|---|---|---|---|---|---|---|
![]() |
![]() FS403 |
![]() Other |
![]() |
![]() Data Sheet |
![]() Negotiable |
|
||||||
| Image | Part No | Mfg | Description | ![]() |
Pricing (USD) |
Quantity | ||||||
![]() |
![]() FS400R07A1E3 |
![]() |
![]() IGBT 650V 500A 1250W |
![]() Data Sheet |
![]()
|
|
||||||
![]() |
![]() FS400R12KF4 |
![]() Infineon Technologies |
![]() IGBT Modules 1200V 400A 6-PACK |
![]() Data Sheet |
![]() Negotiable |
|
||||||
![]() |
![]() FS401 |
![]() Other |
![]() |
![]() Data Sheet |
![]() Negotiable |
|
||||||
![]() |
![]() FS402 |
![]() Other |
![]() |
![]() Data Sheet |
![]() Negotiable |
|
||||||
![]() |
![]() FS403 |
![]() Other |
![]() |
![]() Data Sheet |
![]() Negotiable |
|
||||||
![]() |
![]() FS40SM-5 |
![]() Other |
![]() |
![]() Data Sheet |
![]() Negotiable |
|
||||||
(Hong Kong)









