Product Summary
The BC807-40 is a PNP surface mount transistor.
Parametrics
BC807-40 absolute maximum ratings: (1)Collector-emitter voltage, VCEO: -45V; (2)Emitter-base voltage, VEBO: -5.0V; (3)Collector current, IC: -500mA; (4)Peak collector current, ICM: -1000mA; (5)Peak emitter current, IEM: -1000mA; (6)Power dissipation at TSB=50℃, Pd: 200mW; (7)Thermal resistance, junction to ambient air, RJA: 625 ℃/W; (8)Operaing and storage temperature range, Tj, TSTG: -65 to +150℃.
Features
BC807-40 features: (1)Ideally suited for automatic insertion; (2)Epitaxial planar die construction; (3)For switching, AF driver and amplifier applications; (4)Complementary NPN types available; (5)Lead free by design/RoHS compliant; (6)"Green" device.
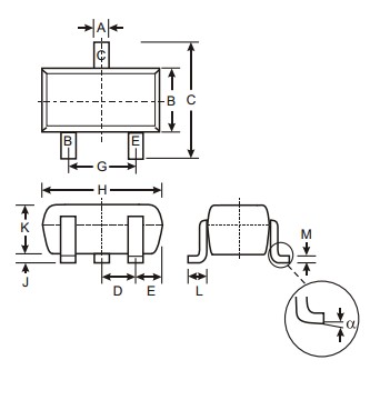
Diagrams

| Image | Part No | Mfg | Description | ![]() |
Pricing (USD) |
Quantity | ||||||||||||
|---|---|---|---|---|---|---|---|---|---|---|---|---|---|---|---|---|---|---|
![]() |
![]() BC807-40 |
![]() Taiwan Semiconductor |
![]() Transistors Bipolar (BJT) Transistor 300mW |
![]() Data Sheet |
![]()
|
|
||||||||||||
![]() |
![]() BC807-40 /T3 |
![]() NXP Semiconductors |
![]() Transistors Bipolar (BJT) TRANS GP TAPE-13 |
![]() Data Sheet |
![]() Negotiable |
|
||||||||||||
![]() |
![]() BC807-40,215 |
![]() NXP Semiconductors |
![]() Transistors Bipolar (BJT) PNP GP 500MA 45V |
![]() Data Sheet |
![]()
|
|
||||||||||||
![]() |
![]() BC807-40,235 |
![]() NXP Semiconductors |
![]() Transistors Bipolar (BJT) TRANS GP TAPE-13 |
![]() Data Sheet |
![]()
|
|
||||||||||||
![]() |
![]() BC807-40-7 |
![]() Diodes Inc. |
![]() Transistors Bipolar (BJT) PNP BIPOLAR |
![]() Data Sheet |
![]() Negotiable |
|
||||||||||||
![]() |
![]() BC807-40-7-F |
![]() Diodes Inc. |
![]() Transistors Bipolar (BJT) PNP BIPOLAR |
![]() Data Sheet |
![]()
|
|
||||||||||||
![]() |
![]() BC807-40LT1 |
![]() ON Semiconductor |
![]() Transistors Bipolar (BJT) 500mA 50V PNP |
![]() Data Sheet |
![]() Negotiable |
|
||||||||||||
![]() |
![]() BC807-40LT1G |
![]() ON Semiconductor |
![]() Transistors Bipolar (BJT) 500mA 50V PNP |
![]() Data Sheet |
![]()
|
|
||||||||||||
(Hong Kong)












