Product Summary
The BA6859AFP is a Three-phase motor driver for CD-ROMs. In addition to the functions of the BA6859AFP, (short brake, reverse-rotation prevention circuit, rotation direction dector, and FG output), the BA6859AFP has a built-in brake mode switching pin. With torque command input, these series are compatible with the DSP3.3V. The applications of the BA6859AFP include CD-ROM, CD-R, CD-RW, DVD-ROM, and DVD-RAM.
Parametrics
BA6859AFP absolute maximum ratings: (1)Applied voltage (with 5V power supply): 7V; (2)Applied voltage (motor power supply): 15V; (3)Power Dissipation: 1700mW; (4)Operating temperature: -20 to +75℃; (5)Storage temperature: -55 to +150℃; (6)Output current: 1300mA.
Features
BA6859AFP features: (1)Three-phase, pseudo-linear drive system; (2)Built-in power save and thermal shutdown functions; (3)Built-in current limiter and Hall bias circuits; (4)Built-in FG output; (5)Built-in rotation direction detector; (6)Built-in reverse rotation prevention circuit; (7)Built-in short brake pin; (8)Built-in brake mode switching pin; (9)DSP3.3V compatible.
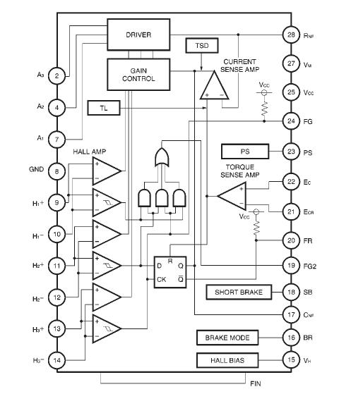
Diagrams

| Image | Part No | Mfg | Description | ![]() |
Pricing (USD) |
Quantity | ||||||
|---|---|---|---|---|---|---|---|---|---|---|---|---|
![]() |
![]() BA6859AFP |
![]() Other |
![]() |
![]() Data Sheet |
![]() Negotiable |
|
||||||
![]() |
![]() BA6859AFP-Y |
![]() Other |
![]() |
![]() Data Sheet |
![]() Negotiable |
|
||||||
![]() |
![]() BA6859AFP-YE2 |
![]() |
![]() IC MOTOR DRIVER 1CH HSOP25 |
![]() Data Sheet |
![]()
|
|
||||||
(Hong Kong)









