Product Summary
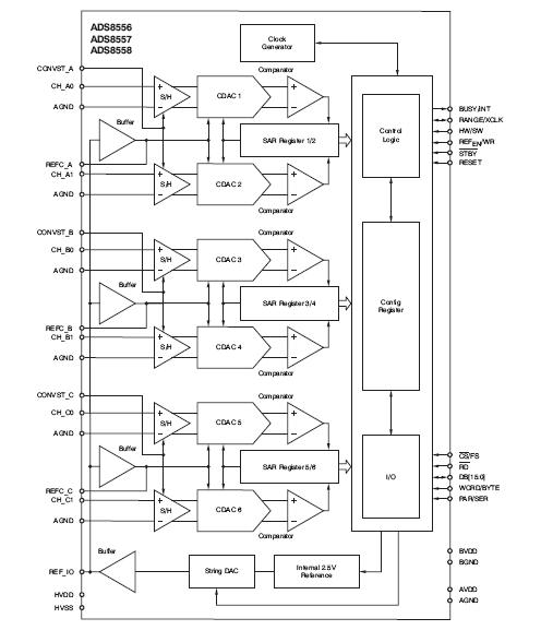
The ADS8557IPM is a 16-, 14-, 12-Bit, Six-Channel, Simultaneous Sampling analog-to-digital converter. The ADS8557IPM contains six low-power, 16-, 14-, or 12-bit, successive approximation register (SAR) based analog-to-digital converters (ADCs) with true bipolar inputs, Each channel contains a sample-and-hold circuit that allows simultaneous high-speed multi-channel signal acquisition. The applications of the ADS8557IPM include Power Quality Measurement, Protection Relays, Multi-Axis Motor Control, Programmable Logic Controllers, and Industrial Data Acquisition.
Parametrics
ADS8557IPM absolute maximum ratings: (1)Supply voltage, HVDD to AGND: –0.3 to +18 V; (2)Supply voltage, HVSS to AGND: –18 to +0.3 V; (3)Supply voltage, AVDD to AGND: –0.3 to +6 V; (4)Supply voltage, BVDD to BGND: –0.3 to +6 V; (5)Analog input voltage: HVSS–0.3 to HVDD + 0.3 V; (6)Reference input voltage with respect to AGND: AGND–0.3 to AVDD + 0.3 V; (7)Digital input voltage with respect to BGND: BGND–0.3 to BVDD + 0.3 V; (8)Ground voltage difference AGND to BGND: ±0.3V; (9)Input current to all pins except supply:–10 to +10mA; (10)Maximum virtual junction temperature, TJ: +150℃.
Features
ADS8557IPM features: (1)Family of 16-, 14-, 12-Bit, Pin- and Software-Compatible ADCs; (2)Six SAR ADCs Grouped in Three Pairs; (3)Maximum data rate per channel with internal conversion clock and reference; (4)Maximum Data Rate with External Conversion Clock and Reference: 800kSPS (PAR) or 530kSPS (SER); (5)Pin-Selectable or Programmable Input Voltage Ranges: Up to ±12V; (6)Programmable and Buffered Internal Reference: 0.5V to 2.5V and 0.5V to 3.0V; (7)Comprehensive Power-Down Modes: Deep Power-Down (Standby Mode); (8)Partial Power-Down, Auto-Nap Power-Down; (9)Selectable Parallel or Serial Interface; (10)Operating Temperature Range: –40℃ to +125℃; (11) LQFP-64 Package.
Diagrams

| Image | Part No | Mfg | Description | ![]() |
Pricing (USD) |
Quantity | ||||||||||||
|---|---|---|---|---|---|---|---|---|---|---|---|---|---|---|---|---|---|---|
![]() |
![]() ADS8557IPM |
![]() Texas Instruments |
![]() ADC (A/D Converters) 670kSPS,14Bit,6Ch Simul Sampling ADC |
![]() Data Sheet |
![]()
|
|
||||||||||||
![]() |
![]() ADS8557IPMR |
![]() Texas Instruments |
![]() ADC (A/D Converters) 670kSPS,14Bit,6Ch Simul Sampling ADC |
![]() Data Sheet |
![]()
|
|
||||||||||||
(Hong Kong)










