Product Summary
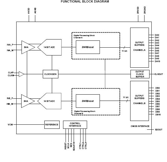
The ADS62C15IRGCT is a dual channel 11-bit A/D converter with maximum sample rates up to 125 MSPS. It combines high performance and low power consumption in a compact 64 QFN package. Using an internal sample and hold and low jitter clock buffer, the ADC supports high SNR and high SFDR at high input frequencies. The ADS62C15IRGCT has coarse and fine gain options that can be used to improve SFDR performance at lower full-scale input ranges. The applications of the ADS62C15IRGCT include Wireless Communications Infrastructure, Software Defined Radio, Power Amplifier Linearization, 802.16d/e, Medical Imaging, Radar Systems, Test and Measurement Instrumentation.
Parametrics
ADS62C15IRGCT absolute maximum ratings: (1)Supply voltage range, AVDD, DRVDD: –0.3 V to 3.9 V; (2)Voltage between AGND and DRGND: –0.3 to 0.3 V; (3)VSS Voltage between AVDD to DRVDD: –0.3 to 3.3 V; (4)Voltage applied to external pin, CM (in external reference mode): –0.3 to 2 V; (5)Voltage applied to analog input pins, INA_P, INA_M, INB_P, INB_M : -0.3V to minimum (3.6, AVDD+0.3V) V; (6)Voltage applied to clock input pins, CLKP, CLKM: –0.3 V to AVDD + 0.3 V; (7)TA Operating free-air temperature range: –40 to 85℃; (8)TJ Operating junction temperature range: 125℃; (9)Tstg Storage temperature range: –65 to 150℃.
Features
ADS62C15IRGCT features: (1)Maximum Sample Rate: 125 MSPS; (2)11-Bit Resolution With No Missing Codes; (3)82dBc SFDR at Fin = 117 MHz; (4)67dBFS SNR at Fin = 117 MHz; (5)77.5dBFS SNR at Fin = 117 MHz, 20MHz bandwidth using SNR Boost technology; (6)92 dB Crosstalk; (7)Parallel CMOS and DDR LVDS Output Options; (8)3.5dB Coarse Gain and Programmable Fine Gain up to 6dB for SNR/SFNR trade-off; (9)Supports Sine, LVPECL, LVDS and LVCMOS Clocks and Amplitude Down to 400mVPP; (10)Clock Duty Cycle Stabilizer; (11)Internal Reference; Also Supports External Reference; (12)64-QFN Package (9mm×9mm).
Diagrams

| Image | Part No | Mfg | Description | ![]() |
Pricing (USD) |
Quantity | ||||||||
|---|---|---|---|---|---|---|---|---|---|---|---|---|---|---|
![]() |
![]() ADS62C15IRGCT |
![]() Texas Instruments |
![]() ADC (A/D Converters) Dual Channel 11B 125MSPS ADC |
![]() Data Sheet |
![]()
|
|
||||||||
![]() |
![]() ADS62C15IRGCTG4 |
![]() Texas Instruments |
![]() ADC (A/D Converters) DUAL Para 11B 125 MSPS SNRB ADC |
![]() Data Sheet |
![]()
|
|
||||||||
(Hong Kong)









