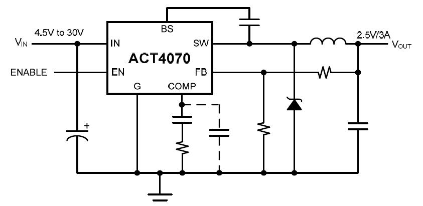
Product Summary
The ACT4070YH is a current-mode step-down DC/DC converter that generates up to 3A output current at 400 kHz switching frequency. The device utilizes Active-Semi’s proprietary ISOBCD30 process for operation with input voltage up to 30V. Consuming only 6μA in shutdown mode, the ACT4070YH is highly efficient with peak efficiency at 95% when in operation. Protection features include cycle-by-cycle current limit, thermal shutdown, and frequency fold back at short circuit. The device also includes an internal soft start function to prevent overshoot. The applications of the ACT4070YH include TFT LCD Monitors or Televisions and HDTV, Portable DVD Players, Car-Powered or Battery-Powered Equipment, Set-Top Boxes, Telecom Power Supplies, DSL and Cable Modems and Routers.
Parametrics
ACT4070YH absolute maximum ratings: (1)IN to G: -0.3 to +34 V; (2)EN to G: -0.3 to VIN + 0.3 V; (3)BS to SW: -0.3 to +8 V; (4)FB, COMP to G: -0.3 to 6 V; (5)Continuous SW Current: Internally limited A; (6)Junction to Ambient Thermal Resistance (θJA): 46℃/W; (7)Maximum Power Dissipation: 1.8W; (8)Operating Junction Temperature: -40 to 150℃; (9)Storage Temperature: -55 to 150℃; (10)Lead Temperature (Soldering, 10 sec): 300℃.
Features
ACT4070YH features: (1)3A Output Current; (2)Up to 95% Efficiency; (3)4.5V to 30V Input Range; (4)6A Shutdown Supply Current; (5)400kHz Switching Frequency; (6)Adjustable Output Voltage; (7)Cycle-by-Cycle Current Limit Protection; (8)Thermal Shutdown Protection; (9)Internal Soft Start Function; (10)Frequency Fold Back at Short Circuit; (11)Stability with Wide Range of Capacitors, Including Low ESR Ceramic Capacitors; (12)SOP-8/EP (Exposed Pad) Package.
Diagrams

| Image | Part No | Mfg | Description | ![]() |
Pricing (USD) |
Quantity | ||||
|---|---|---|---|---|---|---|---|---|---|---|
![]() |
![]() ACT4070YH |
![]() Other |
![]() |
![]() Data Sheet |
![]() Negotiable |
|
||||
| Image | Part No | Mfg | Description | ![]() |
Pricing (USD) |
Quantity | ||||
![]() |
![]() ACT4060 |
![]() Other |
![]() |
![]() Data Sheet |
![]() Negotiable |
|
||||
![]() |
![]() ACT4070 |
![]() Other |
![]() |
![]() Data Sheet |
![]() Negotiable |
|
||||
![]() |
![]() ACT4070YH |
![]() Other |
![]() |
![]() Data Sheet |
![]() Negotiable |
|
||||
![]() |
![]() ACT4075 |
![]() Other |
![]() |
![]() Data Sheet |
![]() Negotiable |
|
||||
![]() |
![]() ACT4088 |
![]() Other |
![]() |
![]() Data Sheet |
![]() Negotiable |
|
||||
![]() |
![]() ACT4115A |
![]() Other |
![]() |
![]() Data Sheet |
![]() Negotiable |
|
||||
(Hong Kong)









