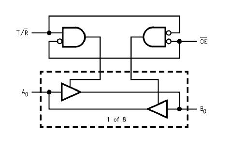
Product Summary
The 74LCX245MTCX is a Low Voltage Bidirectional Transceiver with 5V Tolerant Inputs and Outputs. The 74LCX245MTCX contains eight non-inverting bidirectional buffers with 3-STATE outputs and is intended for bus oriented applications. The device is designed for low voltage (2.5V and 3.3V) VCC applications with capability of interfacing to a 5V signal environment. The T/R input determines the direction of data flow through the device. The OE input disables both the A and B ports by placing them in a high impedance state. The 74LCX245MTCX is fabricated with an advanced CMOS technology to achieve high speed operation while maintaining CMOS low power dissipation.
Parametrics
74LCX245MTCX absolute maximum ratings: (1)VCC Supply Voltage: -0.5 to +7.0V; (2)VI DC Input Voltage: -0.5 to +7.0 V; (3)VO DC Output Voltage Output in 3-STATE: -0.5 to +7.0V; (4)IIK DC Input Diode Current VI<GND: -50mA; (5)IOK DC Output Diode Current VO<GND: -50mA; (6)IO DC Output Source/Sink Current: ±50mA; (7)ICC DC Supply Current per Supply Pin: ±100mA; (8)IGND DC Ground Current per Ground Pin: ±100mA; (9)TSTG Storage Temperature: -65 to +150℃.
Features
74LCX245MTCX features: (1)5V tolerant inputs and outputs; (2)2.3V to 3.6V VCC specifications provided; (3)7.0 ns tPD max (VCC 3.3V), 10 PA ICC max; (4)Power down high impedance inputs and outputs; (5)Supports live insertion/withdrawal (Note 1); (6)±24 mA output drive (VCC 3.0V); (7)Implements patented noise/EMI reduction circuitry; (8)Latch-up performance exceeds 500mA; (9)ESD performance: Human body model> 2000V; (10)Machine model>200V; (11) Leadless DQFN Pb-Free package.
Diagrams

| Image | Part No | Mfg | Description | ![]() |
Pricing (USD) |
Quantity | ||||||||||||
|---|---|---|---|---|---|---|---|---|---|---|---|---|---|---|---|---|---|---|
![]() |
![]() 74LCX245MTCX |
![]() Fairchild Semiconductor |
![]() Bus Transceivers Bidirectional Trans |
![]() Data Sheet |
![]()
|
|
||||||||||||
![]() |
![]() 74LCX245MTCX_NL |
![]() Fairchild Semiconductor |
![]() Bus Transceivers FINISHED GOOD |
![]() Data Sheet |
![]() Negotiable |
|
||||||||||||
(Hong Kong)










