Product Summary
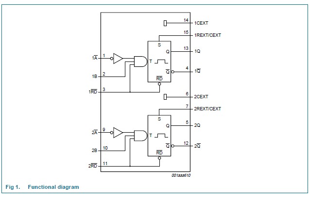
The 74HCT123D is a high-speed Si-gate CMOS device and is pin compatible with Low-power Schottky TTL (LSTTL). It is specified in compliance with JEDEC standard no. 7A. The 74HCT123D is a dual retriggerable monostable multivibrator with output pulse width control by three methods.
Parametrics
74HCT123D absolute maximum ratings: (1)VCC, supply voltage: -0.5 to +7 V; (2)IIK, input clamping current, VI < -0.5 V or VI > VCC + 0.5 V: ±20mA max; (3)IOK, output clamping current, VO < -0.5 V or VO > VCC + 0.5 V: ±20mA max; (4)IO, output current, except for pins nREXT/CEXT; VO = -0.5 V to (VCC + 0.5 V): ±25mA max; (5)ICC, supply current: 50mA max; (6)IGND, ground current: -50mA max; (7)Tstg, storage temperature: -65 to +150 ℃; (8)Ptot total power dissipation: DIP16 package: 750mW max; SO16 package: 500mW max; SSOP16 package: 500mW max; TSSOP16 package: 500mW max; DHVQFN16 package: 500mW max.
Features
74HCT123D features: (1)DC triggered from active HIGH or active LOW inputs; (2) Retriggerable for very long pulses up to 100 % duty factor; (3)Direct reset terminates output pulse; (4)Schmitt-trigger action on all inputs except for the reset input; (5)ESD protection: HBM JESD22-A114E exceeds 2000 V; MM JESD22-A115-A exceeds 200 V; (6)Specified from -40 ℃ to +85 ℃ and from -40 ℃ to +125 ℃.
Diagrams

| Image | Part No | Mfg | Description | ![]() |
Pricing (USD) |
Quantity | ||||||||||||
|---|---|---|---|---|---|---|---|---|---|---|---|---|---|---|---|---|---|---|
![]() |
![]() 74HCT123D |
![]() NXP Semiconductors |
![]() Monostable Multivibrator DUAL MONO RETRIG |
![]() Data Sheet |
![]() Negotiable |
|
||||||||||||
![]() |
![]() 74HCT123D,652 |
![]() NXP Semiconductors |
![]() Monostable Multivibrator DUAL MONO RETRIG |
![]() Data Sheet |
![]()
|
|
||||||||||||
![]() |
![]() 74HCT123DB,112 |
![]() NXP Semiconductors |
![]() Monostable Multivibrator DUAL RETGIG MONOSTBL |
![]() Data Sheet |
![]()
|
|
||||||||||||
![]() |
![]() 74HCT123D,653 |
![]() NXP Semiconductors |
![]() Monostable Multivibrator DUAL RETRIG MONOSTABLE MULTI |
![]() Data Sheet |
![]()
|
|
||||||||||||
![]() |
![]() 74HCT123DB,118 |
![]() NXP Semiconductors |
![]() Monostable Multivibrator DUAL RETGIG MONOSTBL |
![]() Data Sheet |
![]()
|
|
||||||||||||
![]() |
![]() 74HCT123DB |
![]() NXP Semiconductors |
![]() Monostable Multivibrator DUAL RETGIG MONOSTBL MULTI |
![]() Data Sheet |
![]() Negotiable |
|
||||||||||||
![]() |
![]() 74HCT123DB-T |
![]() NXP Semiconductors |
![]() Monostable Multivibrator DUAL RETGIG MONOSTBL MULTI |
![]() Data Sheet |
![]() Negotiable |
|
||||||||||||
(Hong Kong)










