Product Summary
The RM400HA-34S is a Powerex Super-Fast Recovery Single Diode Module which is designed for use in applications requiring fast
switching. The module is isolated for easy mounting with other components on common heatsinks. The applications of RM400HA-34S include Inverters, Choppers, Switching Power Supplies and Free Wheeling.
Parametrics
RM400HA-34S absolute maximum ratings: (1)Peak Reverse Blocking Voltage: 1700 Volts; (2)Transient Peak Reverse Blocking Voltage (Non-Repetitive): 1700 Volts; (3)DC Reverse Blocking Voltage: 1360 Volts; (4)DC Current: 400 Amperes; (5)Peak Half-Cycle Surge (Non-Repetitive) On-State Current (60Hz): 8000 Amperes; (6)Junction Temperature: -40 to 150℃; (7)Storage Temperature: -40 to 125℃; (8)V Isolation: 3000V.
Features
RM400HA-34S features: (1)Isolated Mounting; (2)Planar Chips.
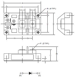
Diagrams

| Image | Part No | Mfg | Description | ![]() |
Pricing (USD) |
Quantity | ||||||
|---|---|---|---|---|---|---|---|---|---|---|---|---|
![]() |
![]() RM400HA-34S |
![]() |
![]() DIODE SUPER FAST SGL 1700V 400A |
![]() Data Sheet |
![]()
|
|
||||||
| Image | Part No | Mfg | Description | ![]() |
Pricing (USD) |
Quantity | ||||||
![]() |
![]() RM4000 |
![]() Tektronix |
![]() Test Accessories - Other Rackmount Kit for DPO4000/MSO4000 |
![]() Data Sheet |
![]() Negotiable |
|
||||||
![]() |
![]() RM400DY-66S |
![]() Other |
![]() |
![]() Data Sheet |
![]() Negotiable |
|
||||||
![]() |
![]() RM400HA-20S |
![]() Other |
![]() |
![]() Data Sheet |
![]() Negotiable |
|
||||||
![]() |
![]() RM400HA-24S |
![]() |
![]() DIODE FAST REC SGL 1200V 400A |
![]() Data Sheet |
![]()
|
|
||||||
![]() |
![]() RM400HA-34S |
![]() |
![]() DIODE SUPER FAST SGL 1700V 400A |
![]() Data Sheet |
![]()
|
|
||||||
![]() |
![]() RM400HV-34S |
![]() Other |
![]() |
![]() Data Sheet |
![]() Negotiable |
|
||||||
(Hong Kong)










