Product Summary
The QM50DY-24B is a Mitsubishi transistor module. The applications of the QM50DY-24B are: Inverters, Servo drives, UPS, DC motor controllers, NC equipment, Welders.
Parametrics
QM50DY-24B absolute maximum ratings: (1)VCEX (SUS) Collector-emitter voltage IC=1A, VEB=2V: 600V; (2)VCEX Collector-emitter voltage VEB=2V: 600V; (3)VCBO Collector-base voltage: 1000V; (4)VEBO Emitter-base voltage: 7V; (5)IC Collector current: 50A; (6)–IC Collector reverse current: DC(forward diode current): 50A; (7)PC Collector dissipation TC=25℃: 310W; (8)IB Base current DC: 3A; (9)–ICSM Surge collector reverse current(forward diode current): 500A; (10)Tj Junction temperature: –40~+150 ℃; (11)Tstg Storage temperature: –40~+125 ℃; (12)Viso Isolation voltage: 2500V.
Features
QM50DY-24B features: (1)IC Collector current: 50A; (2)VCEX Collector-emitter voltage: 600V; (3)hFE DC current gain: 75; (4)Insulated Type; (5)UL Recognized.
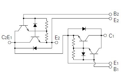
Diagrams

| Image | Part No | Mfg | Description |  | Pricing (USD) | Quantity | ||||
|---|---|---|---|---|---|---|---|---|---|---|
|  |  QM50DY-24B |  Other |  |  Data Sheet |  Negotiable |  | ||||
| Image | Part No | Mfg | Description |  | Pricing (USD) | Quantity | ||||
|  |  QM500HA-H |  Other |  |  Data Sheet |  Negotiable |  | ||||
|  |  QM50CY-H |  Other |  |  Data Sheet |  Negotiable |  | ||||
|  |  QM50DY-24 |  Other |  |  Data Sheet |  Negotiable |  | ||||
|  |  QM50DY-24B |  Other |  |  Data Sheet |  Negotiable |  | ||||
|  |  QM50DY-2H |  Other |  |  Data Sheet |  Negotiable |  | ||||
|  |  QM50DY-H |  Other |  |  Data Sheet |  Negotiable |  | ||||
 (Hong Kong)
 (Hong Kong) 
                         
                        
 
                                    




