Product Summary
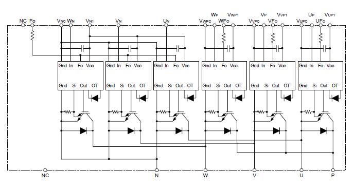
The PM25CLA120 is a flat-base type power module. Applications include General purpose inverter, servo drives and other motor controls.
Parametrics
PM25CLA120 absolute maximum ratings: (1)Collector-Emitter Voltage: 1200V; (2)Collector Current: 25A; (3)Collector Current (Peak): 50A; (4)Collector Dissipation: 116W; (5)Junction Temperature: -20 ~ +150℃.
Features
PM25CLA120 features: (1)25A, 1200V Current-sense IGBT type inverter; (2)Monolithic gate drive & protection logic; (3)Detection, protection & status indication circuits for, shortcircuit, over-temperature & under-voltage (P-Fo available from upper arm devices); (4)Acoustic noise-less 3.7kW class inverter application.
Diagrams

| Image | Part No | Mfg | Description | ![]() |
Pricing (USD) |
Quantity | ||||||||||||||||
|---|---|---|---|---|---|---|---|---|---|---|---|---|---|---|---|---|---|---|---|---|---|---|
![]() |
![]() PM25CLA120 |
![]() |
![]() MOD IPM L-SER 6PAC 1200V 25A |
![]() Data Sheet |
![]()
|
|
||||||||||||||||
| Image | Part No | Mfg | Description | ![]() |
Pricing (USD) |
Quantity | ||||||||||||||||
![]() |
![]() PM25CLA120 |
![]() |
![]() MOD IPM L-SER 6PAC 1200V 25A |
![]() Data Sheet |
![]()
|
|
||||||||||||||||
![]() |
![]() PM25CLB120 |
![]() |
![]() MOD IPM L-SER 6PAC 1200V 25A |
![]() Data Sheet |
![]()
|
|
||||||||||||||||
![]() |
![]() PM25S-048-HHC4 |
![]() |
![]() MOTOR STEPPER 25MM 24VDC 7.5DEG |
![]() Data Sheet |
![]()
|
|
||||||||||||||||
![]() |
![]() PM25RL1C120 |
![]() Other |
![]() |
![]() Data Sheet |
![]() Negotiable |
|
||||||||||||||||
![]() |
![]() PM25RSK120 |
![]() |
![]() MOD IPM 7PAC 1200V 25A |
![]() Data Sheet |
![]() Negotiable |
|
||||||||||||||||
![]() |
![]() PM25RSB120 |
![]() |
![]() MOD IPM 7PAC 1200V 25A |
![]() Data Sheet |
![]() Negotiable |
|
||||||||||||||||
(Hong Kong)










