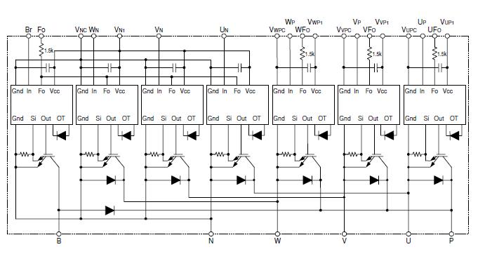
Product Summary
The PM100RLA120 is a flat-base type power module. Applications include General purpose inverter, servo drives and other motor controls.
Parametrics
PM100RLA120 absolute maximum ratings: (1)Collector-Emitter Voltage: 1200V; (2)Collector Current: 100A; (3)Collector Current (Peak): 200A; (4)Collector Dissipation: 601W; (5)Junction Temperature: -20 ~ +150℃.
Features
PM100RLA120 features: (1)100A, 1200V Current-sense IGBT type inverter; (2)Monolithic gate drive & protection logic; (3)Detection, protection & status indication circuits for, shortcircuit, over-temperature & under-voltage (P-Fo available from upper arm devices); (4)Acoustic noise-less 18.5kW/22kW class inverter application; (5)UL Recognized.
Diagrams

(Hong Kong)






