Product Summary
The IXSH30N60C is a High Speed IGBT module. It is easy to mount with 1 screw (isolated mounting screw hole). Applications include AC motor speed control, DC servo and robot drives, DC choppers, Uninterruptible power supplies (UPS), Switch-mode and resonant-mode and power supplies.
Parametrics
IXSH30N60C absolute maximum ratings: (1)VCES: 600V; (2)VCGR: 600V; (3)VGES: ±20V; (4)VGEM: ±30V; (5)IC25: 55A; (6)IC90: 30A; (7)ICM: 110A; (8)PC: 200W.
Features
IXSH30N60C features: (1)International standard packages; (2)Short Circuit SOA capability; (3)High frequency IGBT; (4)New generation HDMOSTM process.
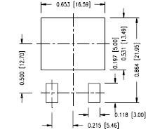
Diagrams

| Image | Part No | Mfg | Description | ![]() |
Pricing (USD) |
Quantity | ||||
|---|---|---|---|---|---|---|---|---|---|---|
![]() |
![]() IXSH30N60C |
![]() Ixys |
![]() IGBT Transistors 55 Amps 600V 2.5 Rds |
![]() Data Sheet |
![]() Negotiable |
|
||||
![]() |
![]() IXSH30N60CD1 |
![]() Ixys |
![]() IGBT Transistors 55 Amps 600V 2.5 Rds |
![]() Data Sheet |
![]() Negotiable |
|
||||
(Hong Kong)









