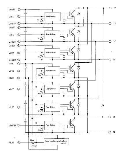
Product Summary
The 7MBP150RA120-05 is an IGBT module-IPM R series.
Parametrics
7MBP150RA120-05 absolute maximum ratings: (1)DC bus voltage: 900V; (2)DC bus voltage (surge): 1000V; (3)DC bus voltage (short operating): 800V; (4)Collector-Emitter voltage: 1200V; (5)DB Reverse voltage: 1200V; (6)Junction temperature: 150℃; (7)Input voltage of power supply for Pre-Driver: 20V; (8)Input signal voltage: Vz V; (9)Input signal current: 1mA; (10)Alarm signal voltage: Vcc V; (11)Alarm signal current: 15mA; (12)Storage temperature: -40~ +125℃; (13)Operating case temperature: -20~ +100℃; (14)Isolating voltage (Case-Terminal): AC2.5kV.
Features
7MBP150RA120-05 features: (1)Temperature protection provided by directly detecting the junction temperature of the IGBTs; (2)Low power loss and soft switching; (3)High performance and high reliability IGBT with overheating protection; (4)Higher reliability because of a big decrease in number of parts in built-in control circuit.
Diagrams

(Hong Kong)






