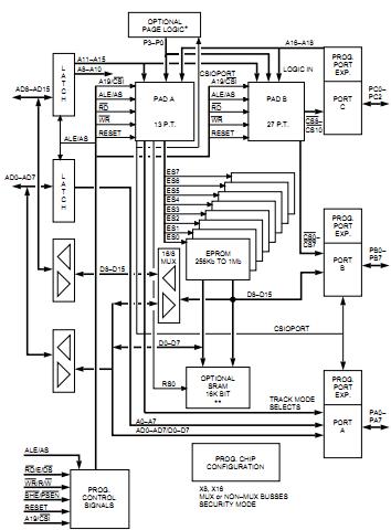
Product Summary
The ZPSD301B15J is a low cost field programmable microcontroller. The device integrates high-performance and user-configurable blocks of EPROM, programmable logic, and optional SRAM into one part. The ZPSD301B15J can provide a powerful microcontroller interface taht eliminates the need for external glue logic.
Parametrics
ZPSD301B15J absoltue maximum ratings: (1)Tstg, storage temepature: -65 to 150℃; (2)voltage on any pin: -0.6 to 7V when with respect to GND; (3)VPP, programming supply voltage: -0.6 to 14V when with respect to GND; (4)VCC, supply voltage: -0.6 to 7V when with respect to GND; (5)ESD protection: >200V.
Features
ZPSD301B15J features: (1)single supply voltage: 5V±10%; (2)up to 1Mbit of EPROM; (3)up to 16Kbit SRAM; (4)input latches; (5)programmable I/O ports; (6)page logic; (7)programmable security.
Diagrams

(Hong Kong)






