Product Summary
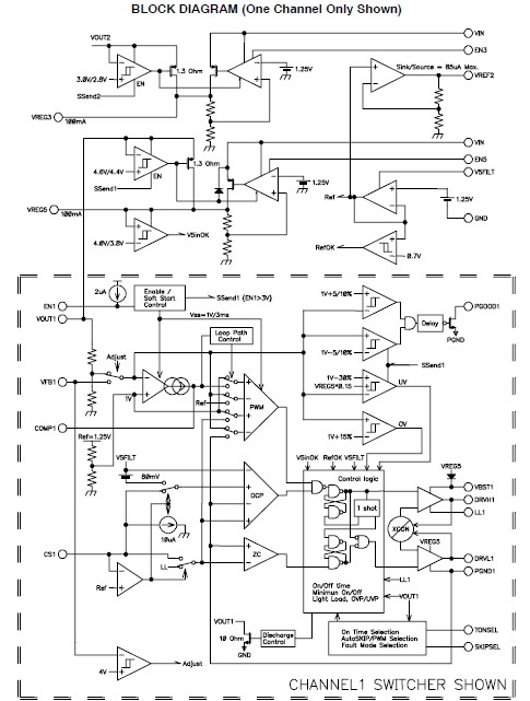
The TPS51120RHBR is a highly sophisticated dual current mode synchronous step-down controller. The TPS51120RHBR is a full featured controller designed to run directly off a three or four-cell Li-ion battery and provide high-power and 5-V and/or 3.3-V standby regulation for all the down-stream circuitry in a notebook computer system. High current, 100-mA, 5-V or 3.3-V on-board linear regulators have glitch-free switch over function to SMPS and can be kept alive independently during standby state. The pseudo-constant frequency adaptive on-time control scheme supports full range of current mode operation including simplified loop compensation, ceramic output capacitors as well as seamless transition to reduced frequency operation at light-load condition. The TPS51120RHBR is suitable for Notebook Computers System Bus and I/O.
Parametrics
TPS51120RHBR absolute maximum ratings: (1)Input voltage range:VBST1, VBST2: -0.3 to 36v; VBST1, VBST2 wrt LL: -0.3 to 6v; VIN, EN5: -0.3 to 30v; SKIPSEL, TONSEL, EN1, EN2, CS1, CS2, V5FILT, VFB1, VFB2, EN3, VO1, VO2: -0.3 to 6v; (2)Output voltage range: DRVH1, DRVH2: -1 to 36v; DRVH1, DRVH2 (wrt LL): -0.3 to 6v; LL1, LL2: -1 to 30v; VREF2, VREG3, VREG5, PGOOD1, PGOOD2, DRVL1, DRVL2, COMP1, COMP2: -0.3 to 6 V; PGND1, PGND2: -0.3 to 0.3 V; (3)Source/sink current: VREF2: 1mA; VBST: 100 mA; VREG5, VREG3 (source only): 200 mA; (4)TA, Operating ambient temperature range: -40 to 85℃; (5)Tstg, Storage temperature: -55 to 150 ℃; (6)TJ, Junction temperature: -40 to 125℃; (7)Lead temperature 1.6 mm (1/16 inch) from case for 10 seconds: 255℃.
Features
TPS51120RHBR features: (1) 3.3-V and 5-V 100-mA bootstrapped standby regulators with independent enables; (2) selectable D-CAP® mode enables fast transient response less than 100 ns; (3) integrated 2-v reference; (4) integrated 2-v reference; (5) selectable PWM-only/auto-skip modes; (6) less than 1% internal reference accuracy;(7)internal soft-start and integrated VOUT discharge transistors (8) selectable low ripple current mode; (9) low-side RDS(on) loss-less current sensing; (10) RSENSE accurate current sense option; (11) power good for each channel with delay timer; (12) supply input voltage range: 4.5 V to 28 V; (13) adaptive gate drivers with integrated boost diode; (14) fault disable mode, which can be used in notebook computers system bus and I/O.
Diagrams

| Image | Part No | Mfg | Description | ![]() |
Pricing (USD) |
Quantity | ||||||||||||
|---|---|---|---|---|---|---|---|---|---|---|---|---|---|---|---|---|---|---|
![]() |
![]() TPS51120RHBR |
![]() Texas Instruments |
![]() Current Mode PWM Controllers Dual Current Mode Sync Step-Down |
![]() Data Sheet |
![]()
|
|
||||||||||||
![]() |
![]() TPS51120RHBRG4 |
![]() Texas Instruments |
![]() Current Mode PWM Controllers Dual Current Mode Sync Step-Down |
![]() Data Sheet |
![]()
|
|
||||||||||||
(Hong Kong)









