Product Summary
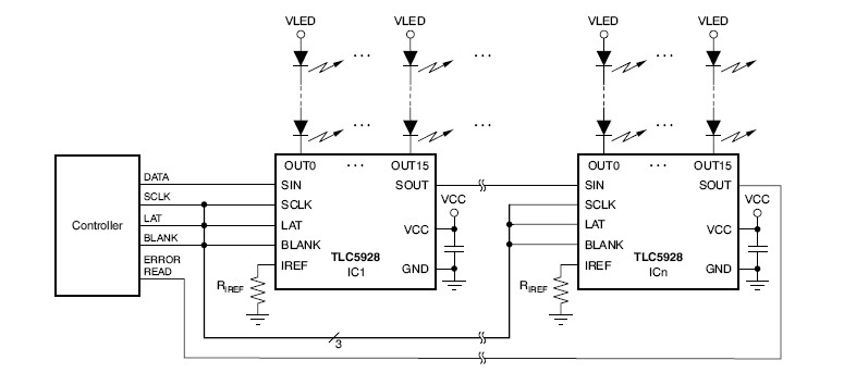
The TLC5928DBQR is a 16-channel, constant current sink LED driver. Each channel can be turned on/off by writing serial data to an internal register. The constant current value of all 16 channels is set by a single external resistor. The applications of the TLC5928DBQR include LED video displays, message boards, and illumination.
Parametrics
TLC5928DBQR absolute maximum ratings: (1)VCC Supply voltage: VCC: –0.3 to +6.0 V; (2)IOUT Output current (dc) OUT0 to OUT15: 40mA; (3)VIN Input voltage range SIN, SCLK, LAT, BLANK, IREF: –0.3 to VCC + 0.3 V; (4)SOUT: –0.3 to VCC + 0.3 V; (5)VOUT Output voltage range OUT0 to OUT15: –0.3 to +18 V; (6)TJ(MAX) Operating junction temperature: +150℃; (7)TSTG Storage temperature range: –55 to +150℃; (8)Human body model (HBM): 2 kV; (9)ESD rating Charged device model (CDM): 500 V.
Features
TLC5928DBQR features: (1)16 Channels, Constant Current Sink Output with On/Off Control; (2)35mA Capability (Constant Current Sink); (3)10-ns High-Speed Constant Current Switching Transient Time; (4)Low On-Time Error; (5)LED Power-Supply Voltage up to 17V; (6)VCC = 3.0 V to 5.5 V; (7)Constant Current Accuracy; (8)CMOS Logic Level I/O; (9)35-MHz Data Transfer Rate; (10)Operating Temperature: –40℃ to +85℃.
Diagrams

| Image | Part No | Mfg | Description | ![]() |
Pricing (USD) |
Quantity | ||||||||||||
|---|---|---|---|---|---|---|---|---|---|---|---|---|---|---|---|---|---|---|
![]() |
![]() TLC5928DBQR |
![]() Texas Instruments |
![]() LED Lighting Drivers 16Ch Constant Crnt LED Driver |
![]() Data Sheet |
![]()
|
|
||||||||||||
![]() |
![]() TLC5928DBQRG4 |
![]() Texas Instruments |
![]() LED Lighting Drivers 16Ch on/off LED driver w/ LOD |
![]() Data Sheet |
![]()
|
|
||||||||||||
(Hong Kong)









