Product Summary
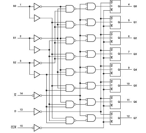
The SN74HC259N is an 8-bit addressable latch. It is designed for general-purpose storage applications in digital systems. Specific uses include working registers, serial-holding registers, and active-high decoders or demultiplexers. The SN74HC259N is a multifunctional device capable of storing single-line data in eight addressable latches and being a 1-of-8 decoder or demultiplexer with active-high outputs.
Parametrics
SN74HC259N absolute maximum ratings: (1)Supply voltage range, VCC: -0.5 V to 7 V; (2)Input clamp current, IIK (VI < 0 or VI > VCC): ±20 mA; (3)Output clamp current, IOK (VO < 0 or VO > VCC): ±20 mA; (4)Continuous output current, IO (VO = 0 to VCC): ±25 mA; (5)Continuous current through VCC or GND: ±50 mA; (6)Package thermal impedance, θJA (see Note 2): D package: 73℃/W; (7)N package: 67℃/W; (8)NS package: 64℃/W; (9)PW package: 108℃/W; (10)Storage temperature range, Tstg: -65℃ to 150℃.
Features
SN74HC259N features: (1)Wide Operating Voltage Range of 2 V to 6 V; (2)High-Current Inverting Outputs Drive Up To 10 LSTTL Loads; (3)Low Power Consumption, 80-μA Max ICC; (4)Typical tpd = 14 ns; (5)±4-mA Output Drive at 5 V; (6)Low Input Current of 1 μA Max; (7)8-Bit Parallel-Out Storage Register Performs Serial-to-Parallel Conversion With Storage; (8)Asynchronous Parallel Clear; (9)Active-High Decoder; (10)Enable Input Simplifies Expansion; (11)Expandable for n-Bit Applications; (12)Four Distinct Functional Modes.
Diagrams

| Image | Part No | Mfg | Description | ![]() |
Pricing (USD) |
Quantity | ||||||||||||
|---|---|---|---|---|---|---|---|---|---|---|---|---|---|---|---|---|---|---|
![]() |
![]() SN74HC259N |
![]() Texas Instruments |
![]() Latches 8-Bit Addressable |
![]() Data Sheet |
![]()
|
|
||||||||||||
![]() |
![]() SN74HC259NE4 |
![]() Texas Instruments |
![]() Latches 8-Bit Addressable Latches |
![]() Data Sheet |
![]()
|
|
||||||||||||
![]() |
![]() SN74HC259NSR |
![]() Texas Instruments |
![]() Latches 8-Bit Addressable |
![]() Data Sheet |
![]()
|
|
||||||||||||
![]() |
![]() SN74HC259NSRG4 |
![]() Texas Instruments |
![]() Latches 8B Addressable Latch |
![]() Data Sheet |
![]()
|
|
||||||||||||
![]() |
![]() SN74HC259NSRE4 |
![]() Texas Instruments |
![]() Latches 8-Bit Addressable Latches |
![]() Data Sheet |
![]()
|
|
||||||||||||
(Hong Kong)









