Product Summary
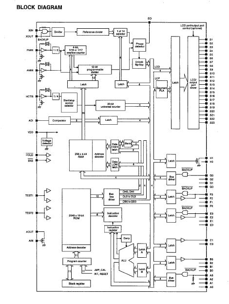
The LC723403W-9C43-TRM-E is a single-chip PLL and Microcontroller with LCD Driver. It incorporates a 0.5 to 150 MHz phase-locked loop and a liquid-crystal display driver, making the LC723403W-9C43-TRM-E ideal for digital tuners. The LC723403W-9C43-TRM-E has a large number of input/output ports and a frequency measurement circuit. The LC723403W-9C43-TRM-E features on-chip RAM and ROM, a programmable high-speed divider, a 6-bit analog-to-digital converter and low-voltage detection reset circuit. It operates from a 5V supply and is available in 64-pin QIPs.
Parametrics
LC723403W-9C43-TRM-E absolute maximum ratings: (1)supply voltage range: -0.3V to 6.5V; (2)Port G, HOLD, ADI and SNS input voltage range: -0.3V to 13.0V; (3)input voltage range (other inputs): -0.3V to VDD+0.3V; (4)Port H and AOUT output voltage range: -0.3V to 15.0V; (5)Output voltage range (all other outputs): -0.3V to VDD+0.3V; (6)Port H output current range: 0 to 5mA; (7)Ports E and F output current range: 0 to 3mA; (8)Ports B and C output current range: 0 to 1mA; (9)AOUT output current range: 0 to 2mA; (10)Power dissipation: 400mW; (11)Operating temperature range: -40 to 85℃; (12)Storage temperature range: -45 to 125℃.
Features
LC723403W-9C43-TRM-E features: (1)150 MHz phase-locked loop; (2)LCD driver; (3)6-bit analog-to-digital converter; (4)Two 4-bit input ports; (5)Two 4-bit input/output ports; (6)6-bit keypad matrix scan output port; (7)2-bit open-drain high-voltage output port; (8)23 mask-selectable output drivers; (9)20-bit universal counter; (10)2048 x 16-bit program ROM; (11)256 x 4-bit data RAM; (12)low-voltage detection reset circuit; (13)Programmable high-speed divider; (14)Single-word instructions; (15)four-level stack; (16)PLL-unlocked flip-flop; (17)Timer flip-flop; (18)Standby mode; (19)5V supply; (20)64-pin QIP.
Diagrams

![]() |
![]() LC72121 |
![]() Other |
![]() |
![]() Data Sheet |
![]() Negotiable |
|
||||||||||||
![]() |
![]() LC72121M |
![]() Other |
![]() |
![]() Data Sheet |
![]() Negotiable |
|
||||||||||||
![]() |
![]() LC72121MA-AH |
![]() ON Semiconductor |
![]() Clock Synthesizer / Jitter Cleaner |
![]() Data Sheet |
![]()
|
|
||||||||||||
![]() |
![]() LC72131 |
![]() Other |
![]() |
![]() Data Sheet |
![]() Negotiable |
|
||||||||||||
![]() |
![]() LC72131K |
![]() Other |
![]() |
![]() Data Sheet |
![]() Negotiable |
|
||||||||||||
![]() |
![]() LC72131KM |
![]() Other |
![]() |
![]() Data Sheet |
![]() Negotiable |
|
||||||||||||
(Hong Kong)








