Product Summary
The L78L08 is a positive voltage regulator. The L78L08 three-terminal positive regulator employs internal current limiting and thermal shutdown, making them essentially indestructible. If adequate heat-sink of the L78L08 is provided, it can deliver up to 100mA output current. They are intended as fixed voltage regulators in a wide range of applications including local or on-card regulation for elimination of noise and distribution problems associated with single-point regulation. In addition, it can be used with power pass element to make high-current voltage regulator. The L78L08 used as Zener diode/resistor combination replacement, offers an effective output impedance improvement of typically two orders of magnitude, along with lower quiescent current and lower noise.
Parametrics
L78L08 absolute maximum ratings: (1)IO Output Current 100mA; (2)Ptot Power Dissipation Internally Limited; (3)Tstg Storage Temperature Range -40 to 150 ℃; (4)Top Operating Junction Temperature; (5)Range 0 to 125℃.
Features
L78L08 features: (1)Output current up to 100 mA; (2)Output voltages of 3.3; 5; 6; 8; 9; 10;12; 15; 18; 20; 24V; (3)Thermal overload protection; (4)Short circuit protection; (5)No external components are required; (6)Available in either ±5% (AC) OR ±10%(C) selection.
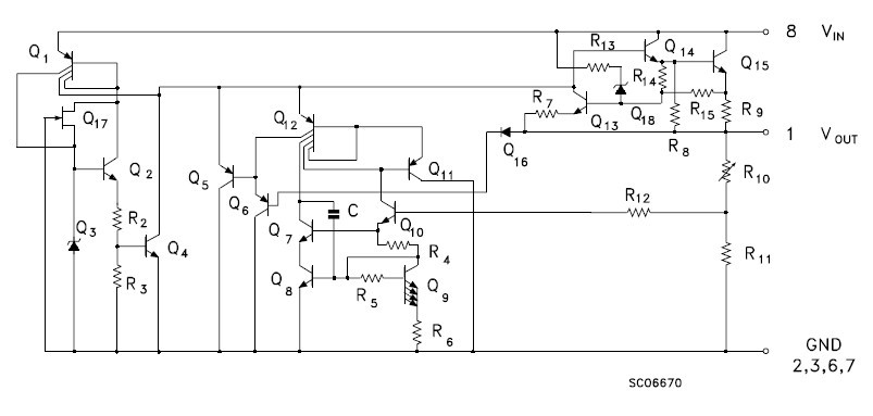
Diagrams

| Image | Part No | Mfg | Description | ![]() |
Pricing (USD) |
Quantity | ||||||||||||
|---|---|---|---|---|---|---|---|---|---|---|---|---|---|---|---|---|---|---|
![]() |
![]() L78L08ABUTR |
![]() STMicroelectronics |
![]() Linear Regulators - Standard 8.0V 0.1A Positive |
![]() Data Sheet |
![]()
|
|
||||||||||||
![]() |
![]() L78L08ABZ |
![]() STMicroelectronics |
![]() Linear Regulators - Standard 8.0V 0.1A Positive |
![]() Data Sheet |
![]() Negotiable |
|
||||||||||||
![]() |
![]() L78L08ACD |
![]() STMicroelectronics |
![]() Linear Regulators - Standard 8.0V 0.1A Positive |
![]() Data Sheet |
![]() Negotiable |
|
||||||||||||
![]() |
![]() L78L08ACD13TR |
![]() STMicroelectronics |
![]() Linear Regulators - Standard 8.0V 0.1A Positive |
![]() Data Sheet |
![]()
|
|
||||||||||||
![]() |
![]() L78L08ACZ |
![]() STMicroelectronics |
![]() Linear Regulators - Standard 8.0V 0.1A Positive |
![]() Data Sheet |
![]()
|
|
||||||||||||
![]() |
![]() L78L08ACZTR |
![]() STMicroelectronics |
![]() Linear Regulators - Standard 8.0V 0.1A Positive |
![]() Data Sheet |
![]()
|
|
||||||||||||
![]() |
![]() L78L08CD |
![]() STMicroelectronics |
![]() Linear Regulators - Standard 8.0V 0.1A Positive |
![]() Data Sheet |
![]() Negotiable |
|
||||||||||||
![]() |
![]() L78L08CD13TR |
![]() STMicroelectronics |
![]() Linear Regulators - Standard 8.0V 0.1A Positive |
![]() Data Sheet |
![]()
|
|
||||||||||||
(Hong Kong)









