Product Summary
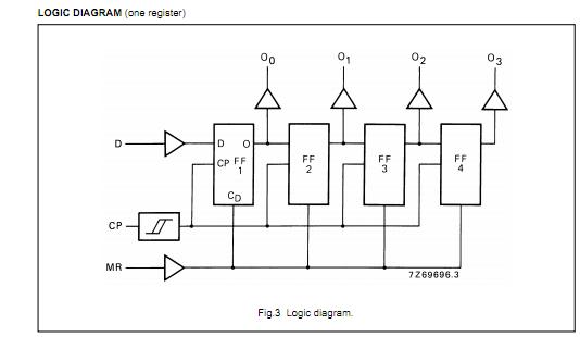
The HEF4015BT is a dual edge-triggered 4-bit static shift register (serial-to-parallel converter). Each shift register has a serial data input (D), a clock input (CP), four fully buffered parallel outputs (O0 to O3) and an overriding asynchronous master reset input (MR).
Parametrics
HEF4015BT absolute maximum ratings: (1)supply voltage: -0.5V to +18V; (2)supply voltage:-18V to +0.5V; (3)input clamping current:±10mA; (4)input voltage:-0.5V to VDD+0.5V; (5)input/output current: ±10mA; (6)supply current:50mA; (7)storage temperature:-65℃ to +150℃; (8)ambient temperature:-40℃ to +125℃; (9)total power dissipation: 500mW.
Features
HEF4015BT features: (1)Fully static operation; (2)5 V, 10 V, and 15 V parametric ratings; (3)Standardized symmetrical output characteristics; (4)Operates across the automotive temperature range:-40℃ to +125℃; (5)Complies with JEDEC standard JESD 13-B.
Diagrams

| Image | Part No | Mfg | Description | ![]() |
Pricing (USD) |
Quantity | ||||||||||||
|---|---|---|---|---|---|---|---|---|---|---|---|---|---|---|---|---|---|---|
![]() |
![]() HEF4015BT,652 |
![]() NXP Semiconductors |
![]() Counter Shift Registers DUAL 4-BIT STATIC SHFT REGISTR |
![]() Data Sheet |
![]()
|
|
||||||||||||
![]() |
![]() HEF4015BT,653 |
![]() NXP Semiconductors |
![]() Counter Shift Registers DUAL 4-BIT STATIC SHFT REGISTR |
![]() Data Sheet |
![]()
|
|
||||||||||||
(Hong Kong)









