Product Summary
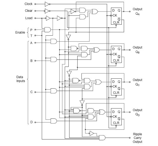
The HD74LS161AP is a Synchronous 4-bit Binary Counter. The HD74LS161AP features an internal carry look-ahead for application in high-speed counting designs. Synchronous operation is provided by having all flip-flops clocked simultaneously so that the outputs changes coincident with each other when so instructed by the count-enable inputs and internal gating. This mode is operation eliminates the output counting spikes that are normally associated with asynchronous (ripple clock) counters. A buffered clock input triggers the four flip-flops on the rising (positive-going) edge of the clock input waveform. The HD74LS161AP is fully programmable; that is, the output may be preset to either level. As presetting is synchronous, setting up a low level at the load input disables the counter and causes the outputs to agree with the setup data after the next clock pulse regardless of the levels of the enable inputs. Low-to-high transitions at the load input should be avoided when the clock is low if the enable inputs are high at or before the transition. The clear function is asynchronous and a low level at the clear input sets all four of the flip-flop outputs low regardless of the levels of clock, load, or enable inputs. The carry look-ahead circuitry provides for cascading counters for n-bit synchronous applications without additional getting. Instrumental in accomplishing this function are two count-enable inputs and a ripple carry output. Both count-enable inputs (P and T) must be high to count, and input T is fed forward to enable the ripple carry output. The ripple carry output thus enabled will produced a high-level output pulse with duration approximately equal to the high-level portion of the QA output. This high-level overflow ripple carry pulse can be used to enable successive cascaded stages. High-to-low-level transitions at the enable P or T inputs should occur only when the clock input is high.
Parametrics
HD74LS161AP absolute maximum ratings: (1)Supply voltage VCC: 7V; (2)Input voltage VIN: 7V; (3)Power dissipation PT: 400mW; (4)Storage temperature Tstg: –65 to +150℃.
Features
HD74LS161AP feature: (1) Ordering Information.
Diagrams

![]() |
![]() HD7425FPA |
![]() Other |
![]() |
![]() Data Sheet |
![]() Negotiable |
|
||||
![]() |
![]() HD74AC |
![]() Other |
![]() |
![]() Data Sheet |
![]() Negotiable |
|
||||
![]() |
![]() HD74AC00 |
![]() Other |
![]() |
![]() Data Sheet |
![]() Negotiable |
|
||||
![]() |
![]() HD74AC02 |
![]() Other |
![]() |
![]() Data Sheet |
![]() Negotiable |
|
||||
![]() |
![]() HD74AC04 |
![]() Other |
![]() |
![]() Data Sheet |
![]() Negotiable |
|
||||
![]() |
![]() HD74AC04FP-EL |
![]() Other |
![]() |
![]() Data Sheet |
![]() Negotiable |
|
||||
(Hong Kong)








