Product Summary
The E28F008SA-120 is an 8-Mbit FlashFileTM Memory. It is the highest density nonvolatile read/write solution for solid-state storage. The E28F008SA-120’s extended cycling, symmetrically blocked architecture, fast access time, write automation and low power consumption provide a more reliable, lower power, lighter weight and higher performance alternative to traditional rotating disk technology. The E28F008SA-120 brings new capabilities to portable computing. Application and operating system software stored in resident flash memory arrays provide instant-on, rapid execute-in-place and protection from obsolescence through in-system software updates. Resident software also extends system battery life and increases reliability by reducing disk drive accesses.
Parametrics
E28F008SA-120 absolute maximum ratings: (1)Operating Temperature: 0 to 70℃; (2)Temperature Under Bias: -10 to 80℃; (3)Storage Temperature: -65 to 125℃; (4)Voltage on Any Pin (except VCC and VPP) with Respect to GND: -2.0V to 7.0V; (5)VPP Program Voltage with Respect to GND during Block Erase/Byte Write: -2.0V to 14.0V; (6)VCC Supply Voltage with Respect to GND: -2.0V to 7.0V; (7)Output Short Circuit Current: 100 mA.
Features
E28F008SA-120 features: (1)High-Density Symmetrically-Blocked Architecture; (2)Extended Cycling Capability; (3)Automated Byte Write and Block Erase; (4)System Performance Enhancements; (5)Deep Power-Down Mode; (6)Very High-Performance Read; (7)SRAM-Compatible Write Interface; (8)Hardware Data Protection Feature; (9)Industry Standard Packaging; (10)ETOX III Nonvolatile Flash Technology.
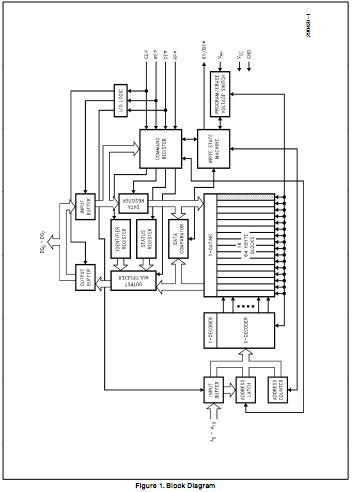
Diagrams

![]() E28F008S5120 |
![]() |
![]() IC FLASH 8MBIT 120NS 40TSOP |
![]() Data Sheet |
![]() Negotiable |
|
|||||
![]() |
![]() E28F320J3A110SL5FS |
![]() |
![]() IC FLASH 32MBIT 110NS 56TSOP |
![]() Data Sheet |
![]() Negotiable |
|
||||
(Hong Kong)








