Product Summary
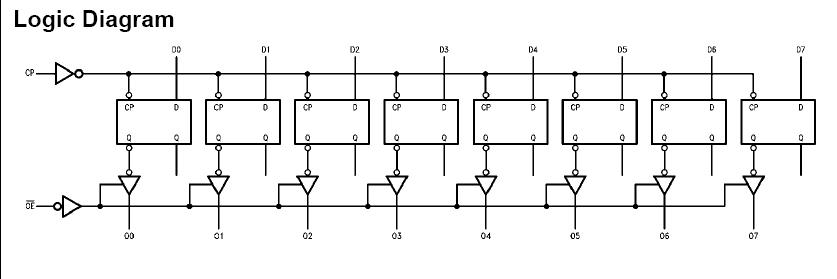
The DM74LS574AN is a high speed low power octal flip-flop with a buffered common Clock (CP) and a buffered common Output Enable (OE). The information presented to the D inputs is stored in the flip-flops on the LOW-to-HIGH Clock (CP) transition. The DM74LS574AN is functionally identical to the DM74LS374 except for the pinouts.
Parametrics
DM74LS574AN absolute maximum ratings: (1)Supply Voltage: 7V; (2)Input Voltage: 7V; (3)Operating Free Air Temperature Range: 0℃ to +70℃; (4)Storage Temperature Range: -65℃ to +150℃.
Features
DM74LS574AN features: (1)VCC Supply Voltage: 4.75 to 5.25V; (2)VIH HIGH Level Input Voltage: 2V; (3)VIL LOW Level Input Voltage: 0.8V; (4)IOH HIGH Level Output Current: -2.6mA; (5)IOL LOW Level Output Current: 24mA; (6)TA Free Air Operating Temperature: 0 to 70℃; (7)tS (H) Setup Time HIGH or LOW: 20ns; (8)tS (L) Dn to CP: 20ns; (9)tH (H) Hold Time HIGH or LOW: 0ns; (10)tH (L) Dn to CP: 0ns; (11)tW (H) CP Pulse Width: 15ns; (12)tW (L) HIGH or LOW: 15ns.
Diagrams

![]() |
![]() DM7400 |
![]() Other |
![]() |
![]() Data Sheet |
![]() Negotiable |
|
||||
![]() |
![]() DM7400N |
![]() Fairchild Semiconductor |
![]() IC GATE NAND QUAD 2INP 14-DIP |
![]() Data Sheet |
![]() Negotiable |
|
||||
![]() |
![]() DM7401 |
![]() Other |
![]() |
![]() Data Sheet |
![]() Negotiable |
|
||||
![]() |
![]() DM7402 |
![]() Other |
![]() |
![]() Data Sheet |
![]() Negotiable |
|
||||
![]() |
![]() DM7402N |
![]() |
![]() IC GATE NOR QUAD 2INP 14-DIP |
![]() Data Sheet |
![]() Negotiable |
|
||||
![]() |
![]() DM7403 |
![]() Other |
![]() |
![]() Data Sheet |
![]() Negotiable |
|
||||
(Hong Kong)










