Product Summary
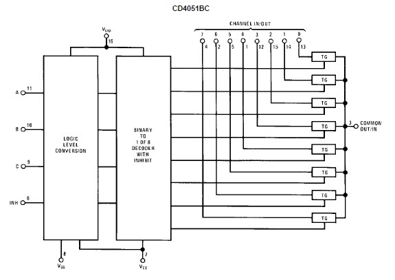
The CD4051BCMX is a Single 8-Channel Analog Multiplexer. It has three binary control inputs. A, B, and C, and an inhibit input. The three binary signals select 1 of 8 channels to be turned “ON” and connect the input to the output.
Parametrics
CD4051BCMX absolute maximum ratings: (1)DC Supply Voltage (VDD): -0.5 VDC to +18 VDC; (2)Input Voltage (VIN): -0.5 VDC to VDD +0.5 VDC; (3)Storage Temperature Range (TS): -65℃ to +150℃; (4)Power Dissipation (PD) Dual-In-Line: 700 mW; Small Outline: 500 mW; (5)Lead Temperature (TL)(soldering, 10 seconds): 260℃.
Features
CD4051BCMX features: (1)Wide range of digital and analog signal levels: digital 3 – 15V, analog to 15Vp-p; (2)Low ON resistance: 80Ω (typ.) over entire 15Vp-p signal-input range for VDD . VEE = 15V; (3)High OFF resistance: channel leakage of ±10 pA (typ.) at VDD - VEE = 10V; (4)Logic level conversion for digital addressing signals of 3 – 15V (VDD - VSS = 3 – 15V) to switch analog signals to 15 Vp-p (VDD - VEE = 15V); (5)Matched switch characteristics: △RON = 5Ω (typ.) for VDD - VEE = 15V; (6)Very low quiescent power dissipation under all digital-control input and supply conditions: 1 μ W (typ.) at VDD - VSS = VDD - VEE = 10V; (7)Binary address decoding on chip.
Diagrams

| Image | Part No | Mfg | Description | ![]() |
Pricing (USD) |
Quantity | ||||
|---|---|---|---|---|---|---|---|---|---|---|
![]() |
![]() CD4051BCMX |
![]() Fairchild Semiconductor |
![]() Multiplexer Switch ICs Multiplex/Demultiple |
![]() Data Sheet |
![]() Negotiable |
|
||||
| Image | Part No | Mfg | Description | ![]() |
Pricing (USD) |
Quantity | ||||
![]() |
![]() CD4000B |
![]() Other |
![]() |
![]() Data Sheet |
![]() Negotiable |
|
||||
![]() |
![]() CD4000BMS |
![]() Other |
![]() |
![]() Data Sheet |
![]() Negotiable |
|
||||
![]() |
![]() CD4001BC |
![]() Other |
![]() |
![]() Data Sheet |
![]() Negotiable |
|
||||
![]() |
![]() CD4001BCM |
![]() |
![]() IC GATE NOR BUFF QUAD 2IN 14SOIC |
![]() Data Sheet |
![]() Negotiable |
|
||||
![]() |
![]() CD4001BCMX |
![]() |
![]() IC GATE NOR QUAD 2INPUT 14-SOIC |
![]() Data Sheet |
![]() Negotiable |
|
||||
![]() |
![]() CD4001BCN |
![]() |
![]() IC GATE NOR BUFF QUAD 2IN 14-DIP |
![]() Data Sheet |
![]() Negotiable |
|
||||
(Hong Kong)












