Product Summary
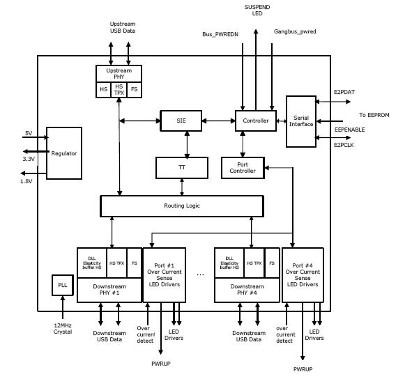
The AU6256 is a USB2.0 Hub Controller. The AU6256 is a fully compliant with the USB 2.0 hub specification and is designed to work with USB host as a high-speed hub. Its built-in TT (Transaction Translator) allows system to benefit combinational performance under the unbalanced traffic condition. The AU6256 supports four USB downstream ports and one upstream port. Each downstream port could be a device of high-speed, full-speed or low-speed traffic, while the upstream port supports both high-speed and full-speed traffic. For each downstream port it has individual power switch control built-in as over-current sensing control.
Parametrics
AU6256 absolute maximum ratings: (1)V5IN Power Supply: -0.3 to 5.25V; (2)VDDH Power Supply: -0.3 to 3.6V; (3)VIN Input Signal Voltage: -0.3 to VDDH +0.3V; (4)TSTG Storage Temperature: -40 to 150℃.
Features
AU6256 features: (1)Fully compliant with USB Hub Specification version 2.0 and is also backward compatible with USB Hub specification 1.1.; (2)Single chip USB 2.0 hub controller; (3)Supports four bus-powered/self-powered downstream ports.; (4)Supports automatic switching between bus- and self-powered modes; (5)Cost effective design using one transaction translator for all downstream ports; (6)Two-color LED controls available for each downstream port to indicate the status of each device port; (7)Extra low power consumption; (8)On chip internal pull-up and meets USB bus power regain emend pull down resistors for all data line.; (9)Built-in USB 2.0 transceiver; (10)Supports gang mode of power management; (11)Built-in power switch control for over current sensing control.; (12)Built-in 1.8V regulator for core logic.; (13)Embedded in PLL (Phase Lock Loop) circuit for 12MHz operation precision; (14)Supports external EEPROM interface for customized PID and VID; (15)5→3.3 regulators built in; (16)Available in 48-pin LQFP package.
Diagrams

(Hong Kong)






