Product Summary
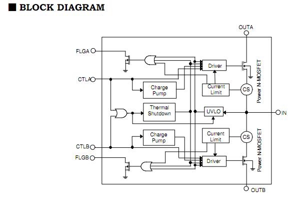
The AIC1528-0PS is a dual high-side power switch for self-powered and bus-powered Universal Serial Bus (USB) applications. Both high-side switches are MOSFET with 110mΩ RDS(ON), which meets USB voltage drop requirements for maximum transmission wire length. The applications of the AIC1528-0PS are USB Power Management, Hot Plug-In Power Supplies and Battery-Charger Circuit.
Parametrics
AIC1528-0PS absolute maximum ratings: (1)Supply Voltage (VIN): 7.0V; (2)Fault Flag Voltage (VFLG): 7.0V; (3)Fault Flag Current (IFLG): 50mA; (4)Control Input (VCTL): -0.3V ~7V; (5)Operating Temperature Range: -40~85℃; (6)Junction Temperature: 125℃; (7)Storage Temperature Range: -65 ~ 150℃; (8)Thermal Resistance, θJA: 100℃/W; (9)Lead Temperature (Soldering, 10sec): 260℃.
Features
AIC1528-0PS features: (1)110mΩ (5V Input) High-Side MOSFET Switch; (2)500mA Continuous Load Current per Channel; (3)110μA Typical On-State Supply Current; (4)1μA Typical Off-State Supply Current; (5)Current-Limit / Short Circuit Protection; (6)Thermal Shutdown Protection under Overcurrent Condition; (7)Undervoltage Lockout Ensures that Switch is off at Start Up; (8)Output can be Forced Higher than Input (Off-State); (9)Open-Drain Fault Flag; (10)Slow Turn ON and Fast Turn OFF; (11)Enable Active-High or Active-Low.
Diagrams

(Hong Kong)






