Product Summary
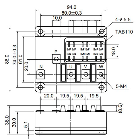
The QF30AA60 is a six pack Darlington power transistor module which has six transistors connected in three phase bridge configuraction. Each transistor has a reverse paralleled fast recovery diode. The mounting base of the module is electrically isolated from semiconductor elements for simple heatsink construction. The QF30AA60 is used for Motor Control(VVVF), AC Servo, UPS.
Parametrics
QF30AA60 absolute maximum ratings: (1)Collector-Base Voltage: 600 V; (2)Collector-Emitter Voltage VBE=-2V: 600 V; (3)Emitter-Base Voltage: 10V; (4)Collector Current: 30A; (5)Reverse Collector Current: 30 A; (6)Base Current: 2 A; (7)Total power dissipation TC=25℃: 250 W; (8)Junction Temperature:-40 to +150 ℃; (9)Storage Temperature:-40 to +125 ℃; (10)solation Voltage A.C.1minute: 2500 V.
Features
QF30AA60 features: (1)IC=30A, VCEX=400/600V; (2)Low saturation voltage for higher efficiency; (3)High DC current gain hFE; (4)Isolated mounting base; (5)VEBO10V for faster switching speed.
Diagrams

(Hong Kong)






