Product Summary
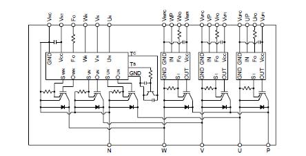
The PM800HSA120 is an isolated base module designed for power switching applications operating at frequencies to 20kHz. Built-in control circuits provide optimum gate drive and protection for the IGBT and free-wheel diode power devices. Applications of the PM800HSA120 include Inverters, UPS, Motion/Servo Control and Power Supplies.
Parametrics
PM800HSA120 absolute maximum ratings: (1)Power Device Junction Temperature: -20 to 150℃; (2)Storage Temperature: -40 to 125℃; (3)Case Operating Temperature: -20 to 100℃; (4)Module Weight (Typical): 60 Grams; (5)Supply Voltage Protected by OC and SC (VD = 13.5 - 16.5V, Inverter Part): 400 Volts; (6)Isolation Voltage (Main Terminal to Baseplate, AC 1 min.): 2500 Vrms.
Features
PM800HSA120 features: (1)Complete Output Power Circuit; (2)Gate Drive Circuit; (3)Protection Logic.
Diagrams

(Hong Kong)






