Product Summary
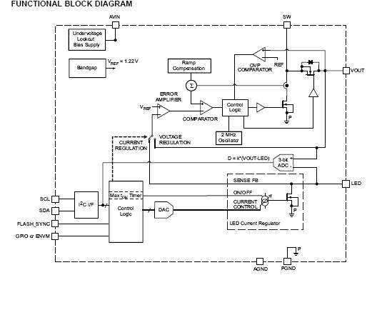
The TPS61052YZGR is a 1.2A high power white LED driver 2MHz synchronous boost converter with I2C compatible interface. It is based on a high-frequency synchronous-boost topology with constant current sink to drive single white LEDs. The TPS61052YZGR uses an inductive fixed-frequency PWM control scheme using small external components, minimizing input ripple current. The applications of the TPS61052YZGR include Camera White LED Torch/Flash for Cell Phones, Smart-Phones and PDAs, Audio Amplifier Power Supply.
Parametrics
TPS61052YZGR absolute maximum ratings: (1)Voltage range on AVIN, VOUT, SW, LED (2):–0.3 to 7V; (2)Voltage range on SCL, SDA, FLASH_SYNC, GPIO, ENVM (2):–0.3 to 7 V; (3)Input current on GPIO: 25mA; (4)TA Operating ambient temperature range (3):–40 to 85℃; (5)TJ (MAX) Maximum operating junction temperature: 150℃; (6)Tstg Storage temperature range: –65 to 150℃; (7)Human body model: 2kV; (8)EraStiDng(4) Charge device model: 1kV; (9)Machine model: 200V.
Features
TPS61052YZGR features: (1)Four Operational Modes; (2)Total Solution Circuit Area< 25 mm2; (3)The 2-MHz switching frequency allows the use of; (4)Up to 96% Efficiency; (5)I2C-Compatible Interface up to 400 kbps; (6)Integrated LED Turn-On Safety Timer; (7)Zero Latency TX-Masking Input (TPS61050); (8)Hardware Voltage Mode Selection Input; (9)Integrated ADC for LED VF Monitoring; (10)Integrated Low Light Dimming Mode; (11)LED Disconnect During Shutdown; (12)Open/Shorted LED Protection; (13)Over-Temperature Protection; (14)Available in a 12-Pin NanoFree (CSP) and 10-Pin QFN Packaging.
Diagrams

| Image | Part No | Mfg | Description | ![]() |
Pricing (USD) |
Quantity | ||||||||||||
|---|---|---|---|---|---|---|---|---|---|---|---|---|---|---|---|---|---|---|
![]() |
![]() TPS61052YZGR |
![]() Texas Instruments |
![]() LED Lighting Drivers 1.2A High Pwr White LED Driver |
![]() Data Sheet |
![]()
|
|
||||||||||||
| Image | Part No | Mfg | Description | ![]() |
Pricing (USD) |
Quantity | ||||||||||||
![]() |
![]() TPS60100 |
![]() Other |
![]() |
![]() Data Sheet |
![]() Negotiable |
|
||||||||||||
![]() |
![]() TPS60100EVM-131 |
![]() Texas Instruments |
![]() Power Management IC Development Tools 2 batt cells |
![]() Data Sheet |
![]()
|
|
||||||||||||
![]() |
![]() TPS60100PWP |
![]() Texas Instruments |
![]() Charge Pumps Reg 3.3V Lo-Ns Chrg Pump DC-DC Cnvtr |
![]() Data Sheet |
![]()
|
|
||||||||||||
![]() |
![]() TPS60100PWPG4 |
![]() Texas Instruments |
![]() Charge Pumps Reg 3.3V Lo-Ns Chrg Pump DC-DC Cnvtr |
![]() Data Sheet |
![]()
|
|
||||||||||||
![]() |
![]() TPS60100PWPR |
![]() Texas Instruments |
![]() Charge Pumps Reg 3.3V Lo-Ns Chrg Pump DC-DC Cnvtr |
![]() Data Sheet |
![]()
|
|
||||||||||||
![]() |
![]() TPS60100PWPRG4 |
![]() Texas Instruments |
![]() Charge Pumps Reg 3.3V Lo-Ns Chrg Pump DC-DC Cnvtr |
![]() Data Sheet |
![]()
|
|
||||||||||||
(Hong Kong)










