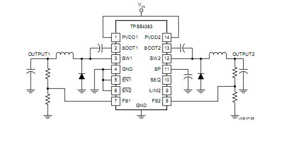
Product Summary
The TPS54386PWPR is a 3-A dual non-synchronous converter. It capables of supporting 3-A output applications that operate from a 4.5-V to 28-V input supply voltage, and require output voltages between 0.8 V and 90% of the input voltage. The applications of the TPS54386PWPR are Set Top Box, Digital TV, Power for DSP, Consumer Electronics.
Parametrics
TPS54386PWPR absolute maximum ratings: (1)SW1, SW2 output current: 7A; (2)BP load current: 35mA; (3)Storage temperature: -55 to +165℃; (4)Operating temperature: -40 to +150℃; (5)Soldering temperature: +260℃.
Features
TPS54386PWPR features: (1)0.8-V 1.5% Voltage Reference; (2)2.1-ms Internal Soft Start; (3)Dual PWM Outputs 180° Out-of-Phase; (4)Ratiometric or Sequential Startup Modes Selectable by a Single Pin; (5)85-mΩ Internal High-Side MOSFETs; (6)Current Mode Control; (7)Internal Compensation; (8)Pulse-by-Pulse Overcurrent Protection; (9)Thermal Shutdown Protection at +148℃; (10)14-Pin PowerPAD HTSSOP package.
Diagrams

| Image | Part No | Mfg | Description | ![]() |
Pricing (USD) |
Quantity | ||||||||||||
|---|---|---|---|---|---|---|---|---|---|---|---|---|---|---|---|---|---|---|
![]() |
![]() TPS54386PWPR |
![]() Texas Instruments |
![]() DC/DC Switching Regulators DC/DC Controller |
![]() Data Sheet |
![]()
|
|
||||||||||||
![]() |
![]() TPS54386PWPRG4 |
![]() Texas Instruments |
![]() DC/DC Switching Regulators 3A Non-Synch Buck Converter |
![]() Data Sheet |
![]()
|
|
||||||||||||
(Hong Kong)









