Product Summary
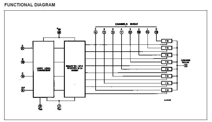
The HCF4051M013TR is a single 8-channel analog multiplexer/demultiplexer fabricated in Metal Oxide Semiconductor technology available in DIP and SOP packages. The HCF4051M013TR analog multiplexer/demultiplexer is a digitally controlled analog switch having low ON impedance and very low OFF leakage current. This multiplexer circuit dissipate extremely low quiescent power over the full VDD - VSS and VDD - VEE supply voltage range, independent of the logic state of the control signals.
Parametrics
HCF4051M013TR absolute maximum ratings: (1)Supply Voltage: -0.5 to +22 V; (2)DC Input Voltage: -0.5 to VDD + 0.5 V; (3)DC Input Current: ± 10 mA; (4)Power Dissipation per Package: 500 mW; (5)Power Dissipation per Output Transistor: 100 mW; (6)Operating Temperature: -55 to +125℃; (7)Storage Temperature: -65 to +150℃.
Features
HCF4051M013TR features: (1)low "on" resistance: 125W (Typ.) over 15V p.p signal-input range for VDD - VEE = 15V; (2)high "off" resistance: channel leakage ± 100pA (Typ.) at VDD - VEE = 18V; (3)binary address decoding on chip; (4)high degree of linearity: < 0.5% distortion TYP. at fIS = 1KHz, VIS = 5 Vpp, VDD - VSS > 10V, RL = 10KW; (5)very low quiescent power dissipation under all digital control input and supply conditions: 0.2 mW (Typ.) at VDD - VSS = VDD - VEE =10V; (6)matched switch characteristics: RON = 5W (Typ.) for VDD - VEE = 15V; (7)wide range of digital and analog signal levels: DIGITAL 3 to 20, analog TO 20V p.p.; (8)quiescent current specified up to 20V.
Diagrams

| Image | Part No | Mfg | Description | ![]() |
Pricing (USD) |
Quantity | ||||||||||||||||||
|---|---|---|---|---|---|---|---|---|---|---|---|---|---|---|---|---|---|---|---|---|---|---|---|---|
![]() |
![]() HCF4051M013TR |
![]() STMicroelectronics |
![]() Multiplexer Switch ICs 8-Ch Ana Mult/Demult |
![]() Data Sheet |
![]()
|
|
||||||||||||||||||
| Image | Part No | Mfg | Description | ![]() |
Pricing (USD) |
Quantity | ||||||||||||||||||
![]() |
![]() HCF4001B |
![]() Other |
![]() |
![]() Data Sheet |
![]() Negotiable |
|
||||||||||||||||||
![]() |
![]() HCF4001BEY |
![]() STMicroelectronics |
![]() Gates (AND / NAND / OR / NOR) Quad 2-Input NOR |
![]() Data Sheet |
![]()
|
|
||||||||||||||||||
![]() |
![]() HCF4001M013TR |
![]() |
![]() IC GATE NOR QUAD 2INP 14-SOIC |
![]() Data Sheet |
![]()
|
|
||||||||||||||||||
![]() |
![]() HCF4002B |
![]() Other |
![]() |
![]() Data Sheet |
![]() Negotiable |
|
||||||||||||||||||
![]() |
![]() HCF4006B |
![]() Other |
![]() |
![]() Data Sheet |
![]() Negotiable |
|
||||||||||||||||||
![]() |
![]() HCF4007UB |
![]() Other |
![]() |
![]() Data Sheet |
![]() Negotiable |
|
||||||||||||||||||
(Hong Kong)











