Product Summary
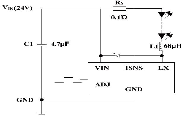
The 6808 is a continuous mode inductive step-down converter, designed for driving single or multiple series connected LEDs efficiently from a voltage source higher than the LED voltage. The 6808 operates from an input supply between 6V and 35V and provides an externally adjustable output current of up to 1.2A. Depending upon supply voltage and external components, this can provide up to 35 watts of output power. The applications of the 6808 include Low voltage halogen replacement LEDs, Automotive lighting, Low voltage industrial lighting, LED back-up lighting, illuminated signs.
Parametrics
6808 absolute maximum ratings: (1)VIN Supply Voltage: -0.3 to 35V; (2)SW Drain of the internal power switch: -0.3 to 35V; (3)ISNS Current sense input (Respect to VIN): +0.3 to (-5.0)V; (4)ADJ Logic level dimming input: -0.3 to 6V; (5)PDMAX Power Dissipation (Note 2): Internally Limited W; (6)PTR Thermal Resistance, SOT89-5 θJA: 45℃/W; (7)TJ Operation Junction Temperature Range: -40 to 150℃; (8)TSTG Storage Temperature: -55 to 150℃; (9)ESD Susceptibility (Note 3): 2 kV.
Features
6808 features: (1)Simple low parts count; (2)Wide input voltage range: 6V to 35V; (3)Up to 1.2A output current; (4)Single pin on/off and brightness control using DC voltage or PWM; (5)Typical 5% output current accuracy; (6)Inherent open-circuit LED protection; (7)High efficiency (up to 95%); (8)High-Side Current Sense; (9)Soft-start; (10)Available in SOT89-5 packages.
Diagrams

| Image | Part No | Mfg | Description | ![]() |
Pricing (USD) |
Quantity | ||||||||||||||
|---|---|---|---|---|---|---|---|---|---|---|---|---|---|---|---|---|---|---|---|---|
![]() |
![]() 6808 |
![]() |
![]() PROTO-BRD 8PIN DISCRETE SMD SIP |
![]() Data Sheet |
![]()
|
|
||||||||||||||
![]() |
![]() 68080 |
![]() TE Connectivity / AMP |
![]() Hand Tools PNEU HEAD 12-10 |
![]() Data Sheet |
![]() Negotiable |
|
||||||||||||||
![]() |
![]() 680808-1 |
![]() TE Connectivity |
![]() Hand Tools HDM 9SMPO140F220O T |
![]() Data Sheet |
![]()
|
|
||||||||||||||
![]() |
![]() 680808-2 |
![]() TE Connectivity |
![]() Hand Tools HDM 9SMPR140F220O K |
![]() Data Sheet |
![]()
|
|
||||||||||||||
![]() |
![]() 680809-2 |
![]() TE Connectivity |
![]() Hand Tools HDM 8SMPR062F100O K |
![]() Data Sheet |
![]()
|
|
||||||||||||||
![]() |
![]() 68081 |
![]() TE Connectivity / AMP |
![]() Hand Tools PNEU HD COPALUM 69015 8 |
![]() Data Sheet |
![]() Negotiable |
|
||||||||||||||
![]() |
![]() 680811-2 |
![]() TE Connectivity |
![]() Hand Tools HDM 9SMPR062F074F K |
![]() Data Sheet |
![]()
|
|
||||||||||||||
![]() |
![]() 680814-1 |
![]() TE Connectivity |
![]() Hand Tools HDM 9SMPO130F160O T |
![]() Data Sheet |
![]()
|
|
||||||||||||||
(Hong Kong)










